Termékeink
- KIEMELT AJÁNLATAINK [1535]
- Acéltermékek [1890]
- Adapterek [138]
- Áram-védőkapcsolók (Fi-relék) [5221]
- Audio/video kaputelefonok [415]
- Autós kiegészítők [581]
- Betétek és aljzatok [7577]
- Bilincsek [2013]
- Csoportos kábelrögzítők [22]
- Fém csőbilincsek [14]
- Feszítőszalagok [46]
- Kábelkötegelő bilincsek [5]
- Kábelrögzítők [20]
- Kengyel bilincsek [502]
- Metz bilincsek [204]
- Nyitható bilincsek [9]
- Rögzítőbilincsek [293]
- Szegezhető bilincsek [212]
- Szorító bilincsek [74]
- Talpas rögzítőbilincsek [186]
- Távtartó bilincsek, kengyelek [300]
- Tűzálló bilincsek [42]
- Biztonságtechnika [72]
- Csatlakozók [337]
- Csatornák és kiegészítőik [7224]
- Csengők és hangjelzők [344]
- Csomagológépek [6]
- Csőrendszerek és kiegészítőik [3864]
- Dobozok [2769]
- Dugaljak [3879]
- Dugvillák [1541]
- Elektromos autó töltők [540]
- Elektromos közlekedési eszközök [3]
- Elemek és akkumulátorok [659]
- Elosztószekrények [6632]
- Előtétek [160]
- Energiaoszlopok és kiegészítőik [596]
- Épületautomatizálás és intelligens otthon [908]
- Érvéghüvelyek [623]
- Érzékelők,szenzorok és jeladók [3824]
- Feliratok és papírtermékek [816]
- Fémszekrények és kiegészítőik [21442]
- Fényforrások [516]
- Fénykábelek [167]
- Feszültségstabilizátorok [16]
- Foglalatok [131]
- Fogyasztásmérő szekrények, mérőhelyek [2587]
- Fogyasztásmérők [247]
- Forrasztástechnika [185]
- Frekvenciaváltók és lágyindítók [4520]
- Fúrók, menet- és lyukasztófúrók [2779]
- Fűtés- és hűtéstechnika [2459]
- Fűtőkábelek és fűtőszőnyegek [817]
- Gégecsövek és kiegészítőik [571]
- Gipszek [2]
- Gyújtók [13]
- Hajtástechnika, mozgásvezérlés, robotika [4564]
- Hálózati elosztók és hosszabbítók [1481]
- Hangtechnika [205]
- Háztartási termékek [630]
- Inverterek [15]
- Ipari kapcsolók [34056]
- Ipari PC-k, szoftverek [854]
- Iratmegsemmisítők [80]
- Irodai bútorok [69]
- Jelzőlámpák [3229]
- Kábelátvezető [8]
- Kábelek [6445]
- Kábeltálcák és kiegészítőik [9043]
- Karácsonyi dekoráció [3060]
- Kerti kiegészítők [235]
- Kézilámpák és elemlámpák [602]
- Kismegszakítók és kiegészítőik [14657]
- Kondenzátorok [1211]
- Lakossági kapcsolók [21048]
- Lámpatestek [11896]
- LED fénycsövek [489]
- LED fényforrások [4548]
- LED fényfüggönyök,fényhálók [281]
- LED lámpatestek [17497]
- LED modulok [62]
- LED panelek és kiegészítőik [2408]
- LED profilok [1089]
- LED szalagok [1002]
- LED vezérlők [179]
- Légvezeték kiegészítők [97]
- Medence és kiegészítőik [258]
- Mérőműszerek [1810]
- Mozgásérzékelők [536]
- Munkavédelem [3128]
- Nagymegszakítók és kiegészítőik [627]
- Napelemek és kiegészítőik [502]
- Nullázó sínek [79]
- Nyomógombok [11393]
- Okos otthon [2187]
- Oszlopok és kiegészítőik [42]
- Rack szekrények és kiegészítőik [2167]
- Relék [5151]
- Rézsínek [23]
- Rögzítéstechnika [2330]
- Saruk [1689]
- Sorkapcsok és vezetékösszekötők [2993]
- Sport és szabadidő [56]
- Szerszámok [10844]
- Szigetelőszalagok [542]
- Szünetmentes tápegységek, UPS-ek [721]
- Telefon kiegészítők [205]
- Termosztátok [532]
- Toldóhüvelyek [408]
- Tömszelencék [1365]
- TV Audio kiegészítők [274]
- Trafók/tápegységek [1758]
- Túlfeszültség levezetők [1458]
- Tűzcsapok [75]
- Vágás- és csiszolástechnika [983]
- Védőcsövek és kiegészítőik [1353]
- Vegyi termékek [329]
- Ventilátorok és kiegészítőik [827]
- Vezetékek [5205]
- Vezetékjelölők [1101]
- Vezetékkötegelők és kiegészítőik [940]
- Villámvédelem [2143]
- Vonalkódtechnika [20485]
- Zsugorcsövek és végzárók [1278]
- Feltöltés alatt [7550]
- Új feltöltés [44463]
Prodotti top
Ultima visualizzazione
Consigli sui prodotti
I nostri partner
Dettagli prodotto
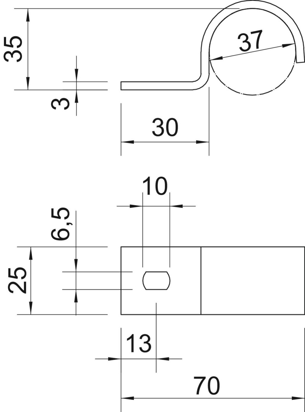
OBO 1014293 822 37 FT Rögzítőbilincs, könnyű kivitel, 37mm merítetten tűzihorganyzott acél
A kép illusztráció!
OBO 1014293 általános leírása:
A villamos rendszerekben számos különböző típusú bilincs található, amelyeknek elsődleges feladata a kábelek, vezetékek és egyéb elektromos alkatrészek biztonságos rögzítése és megtartása. Ezek a bilincsek különböző anyagokból készülnek, és számos méretben és kialakításban elérhetőek.
A leggyakoribb típusok a következők:
* Kábelbilincsek: Ezek a bilincsek elsősorban kábelek rögzítésére szolgálnak. Anyaguk lehet fém (acél, rozsdamentes acél) vagy műanyag. A rögzítés módja lehet egyszerű meghúzás vagy speciális zárómechanizmus.
* Csőbilincsek: Ezek a bilincsek csövekhez és vezetékekhez való rögzítésre alkalmasak. Általában fém (acél, rozsdamentes acél) vagy műanyag anyagból készülnek, és különböző átmérőjű csövekhez használhatók.
* Falbilincsek: Ezek a bilincsek falakhoz vagy más felületekhez való rögzítésre szolgálnak. Általában fém (acél, rozsdamentes acél) anyagból készülnek, és különböző típusú rögzítőelemekkel (pl. dübel, csavar) vannak ellátva.
* Din sín bilincsek: Ezek a bilincsek DIN sínekhez való rögzítésre szolgálnak. Általában fém (acél) anyagból készülnek, és különböző típusú elektromos alkatrészek (pl. relék, kapcsolók) rögzítésére használhatók.
A bilincsek kiválasztásánál figyelembe kell venni a következő tényezőket:
* Anyag: Az anyag kiválasztásánál figyelembe kell venni a környezeti körülményeket (pl. hőmérséklet, páratartalom), a rögzítendő anyagot és a szükséges mechanikai szilárdságot.
* Méret: A bilincs méretét a rögzítendő anyag átmérőjéhez vagy vastagságához kell igazítani.
* Rögzítési mód: A rögzítési mód kiválasztásánál figyelembe kell venni a rögzítendő felületet és a szükséges szilárdságot.
* Terhelhetőség: A bilincs terhelhetőségét a rögzítendő anyag súlyához és a várható terheléshez kell igazítani.
A bilincsek alkalmazási területei:
* Épületvillamosság: Kábelek és vezetékek rögzítése falakon, padlókon, mennyezeteken.
* Ipari villamosság: Gépek, berendezések és vezérlőpanelek kábelezése.
* Telekommunikáció: Kábelek és vezetékek rögzítése tornyokon, oszlopokon és épületeken.
* Automatizálás: Kábelek és vezetékek rögzítése vezérlőszekrényekben és automatizálási rendszerekben.
Fontos megjegyezni: A bilincsek helyes kiválasztása és alkalmazása elengedhetetlen a biztonságos és megbízható villamos rendszer működéséhez. A nem megfelelő bilincsek használata kábelek sérüléséhez, rövidzárlathoz és egyéb veszélyes helyzetekhez vezethet.
Néhány további kérdés, ami segíthet a megfelelő bilincs kiválasztásában:
* Milyen típusú kábelt vagy vezetéket szeretne rögzíteni?
* Milyen anyagból készült a rögzítendő felület?
* Milyen környezeti körülmények között lesz használva a bilincs?
* Milyen terhelésnek lesz kitéve a bilincs?
További információért keressen minket bizalommal: info@gazdafielectronic.hu
-
Egy rögzítőfüllel ellátott rögzítőbilincs kábelekhez és csövekhez.
37 mm-es, egy rögzítőfüles rögzítőbilincs
Letölthető tartalom - 1
Letölthető tartalom - 2
-
Gyártó OBOAnyag acélÁtmérő 37mmFelület merítetten tűzihorganyzottGyártói cikkszám 1014293Méret 6,5 x 10mmTípus 822 37 FTVastagság 2mmVonalkód / EAN-kód 4012195014171Letölthető tartalmak Szín - EF000007 -Modell - EF000010 Egylobú bilincs (Single-lobe clamp)EF000024 IgenHalogénmentes - EF000025 IgenFelületvédelem - EF000139 Tűzihorganyzott (Hot-dip galvanised)Anyagminőség - EF001257 -Anyag - EF002169 Acél (Steel)Rögzítés típusa - EF002442 Csavar lyuk (Screw hole)Kábelek/csövek számának megadása - EF004421 1Átmérő - EF004620 - - -Névleges átmérő - EF005114 37Műanyag bevonatú - EF006600 NemTávolság a fallal - EF007571 NemTűzállósági területeken megfelelő - EF007821 NemGyártó OBONumero articolo 1014293Quantità minima ordinabile 100 DBQuantità selezionabili 100 DB, 200 DB, 300 DB, 400 DB, ...





















