Termékeink
- KIEMELT AJÁNLATAINK [1535]
- Acéltermékek [1890]
- Adapterek [138]
- Áram-védőkapcsolók (Fi-relék) [5221]
- Audio/video kaputelefonok [415]
- Autós kiegészítők [581]
- Betétek és aljzatok [7577]
- Bilincsek [2013]
- Biztonságtechnika [72]
- Csatlakozók [337]
- Csatornák és kiegészítőik [7224]
- Csengők és hangjelzők [345]
- Csomagológépek [6]
- Csőrendszerek és kiegészítőik [3864]
- Dobozok [2769]
- Dugaljak [3879]
- Dugvillák [1541]
- Elektromos autó töltők [540]
- Elektromos közlekedési eszközök [3]
- Elemek és akkumulátorok [659]
- Elosztószekrények [6632]
- Előtétek [160]
- Energiaoszlopok és kiegészítőik [596]
- Épületautomatizálás és intelligens otthon [908]
- Érvéghüvelyek [623]
- Érzékelők,szenzorok és jeladók [3824]
- Feliratok és papírtermékek [816]
- Fémszekrények és kiegészítőik [21442]
- Fényforrások [516]
- Fénykábelek [167]
- Feszültségstabilizátorok [16]
- Foglalatok [131]
- Fogyasztásmérő szekrények, mérőhelyek [2587]
- Fogyasztásmérők [247]
- Forrasztástechnika [185]
- Frekvenciaváltók és lágyindítók [4520]
- Fúrók, menet- és lyukasztófúrók [2779]
- Fűtés- és hűtéstechnika [2459]
- Fűtőkábelek és fűtőszőnyegek [817]
- Gégecsövek és kiegészítőik [571]
- Gipszek [2]
- Gyújtók [13]
- Hajtástechnika, mozgásvezérlés, robotika [4564]
- Hálózati elosztók és hosszabbítók [1481]
- Hangtechnika [205]
- Háztartási termékek [630]
- Inverterek [15]
- Ipari kapcsolók [34056]
- Ipari PC-k, szoftverek [854]
- Iratmegsemmisítők [80]
- Irodai bútorok [69]
- Jelzőlámpák [3229]
- Kábelátvezető [8]
- Kábelek [6445]
- Kábeltálcák és kiegészítőik [9043]
- Karácsonyi dekoráció [3060]
- Kerti kiegészítők [235]
- Kézilámpák és elemlámpák [602]
- Kismegszakítók és kiegészítőik [14657]
- Kondenzátorok [1211]
- Lakossági kapcsolók [21048]
- Lámpatestek [11896]
- LED fénycsövek [489]
- LED fényforrások [4548]
- LED fényfüggönyök,fényhálók [281]
- LED lámpatestek [17497]
- LED modulok [62]
- LED panelek és kiegészítőik [2408]
- LED profilok [1089]
- LED szalagok [1002]
- LED vezérlők [179]
- Légvezeték kiegészítők [97]
- Medence és kiegészítőik [258]
- Mérőműszerek [1810]
- Mozgásérzékelők [536]
- Munkavédelem [3128]
- Nagymegszakítók és kiegészítőik [627]
- Napelemek és kiegészítőik [502]
- Nullázó sínek [79]
- Nyomógombok [11393]
- Okos otthon [2187]
- Oszlopok és kiegészítőik [42]
- Rack szekrények és kiegészítőik [2167]
- Relék [5151]
- Rézsínek [23]
- Rögzítéstechnika [2330]
- Saruk [1689]
- Sorkapcsok és vezetékösszekötők [2993]
- Sport és szabadidő [56]
- Szerszámok [10844]
- Szigetelőszalagok [542]
- Szünetmentes tápegységek, UPS-ek [721]
- Telefon kiegészítők [205]
- Termosztátok [533]
- Toldóhüvelyek [408]
- Tömszelencék [1365]
- TV Audio kiegészítők [274]
- Trafók/tápegységek [1758]
- Túlfeszültség levezetők [1458]
- Tűzcsapok [75]
- Vágás- és csiszolástechnika [983]
- Védőcsövek és kiegészítőik [1353]
- Vegyi termékek [329]
- Ventilátorok és kiegészítőik [827]
- Vezetékek [5205]
- Vezetékjelölők [1101]
- Vezetékkötegelők és kiegészítőik [940]
- Villámvédelem [2143]
- Vonalkódtechnika [20485]
- Zsugorcsövek és végzárók [1278]
- Feltöltés alatt [7550]
- Új feltöltés [44453]
Prodotti top
Ultima visualizzazione
Consigli sui prodotti
I nostri partner
Dettagli prodotto
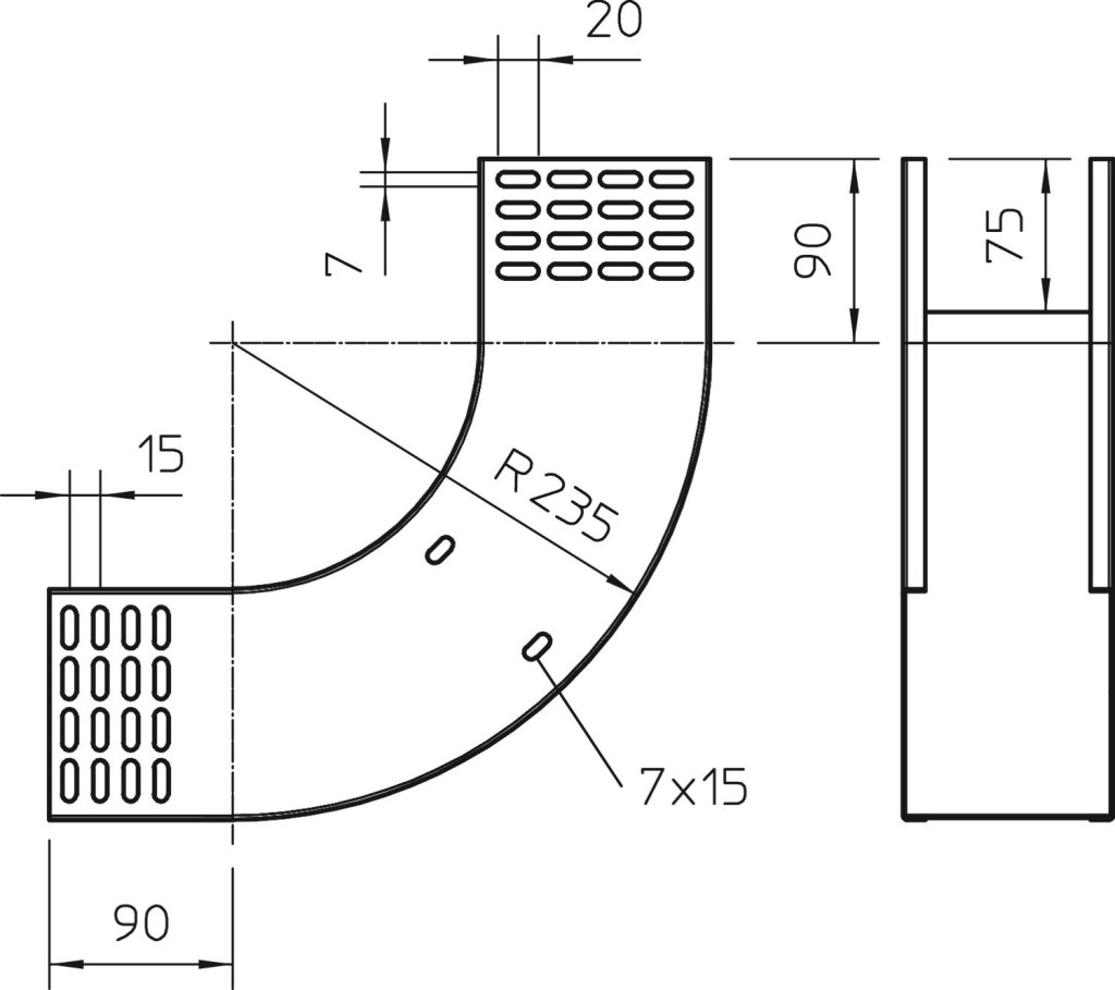
OBO 7007322 RBV 140 S FS 90°-Os Függőleges Sarokidom emelkedő 110x400mm szalaghorganyzott acél
A kép illusztráció!
OBO 7007322 általános leírása:
A fém kábeltálcák és a hozzájuk tartozó kiegészítők a modern villamoshálózatok és kábelezési rendszerek alapvető elemei. Feladatuk a kábelek biztonságos, rendezett és hozzáférhető vezetésének biztosítása, miközben védelmet nyújtanak a mechanikai sérülések, a tűz és az elektromágneses zavarok ellen.
Fém Kábeltálcák Fajtái és Jellemzői
A fém kábeltálcák számos kivitelben elérhetők, mindegyik típusnak megvan a maga előnye és specifikus felhasználási területe. Anyagukat tekintve általában horganyzott acélból, rozsdamentes acélból vagy alumíniumból készülnek, a környezeti igényeknek megfelelően. A felületkezelés (pl. szalaghorganyzás, tűzihorganyzás, porfestés) biztosítja a korrózióállóságot és az esztétikus megjelenést.
1. Perforált Kábeltálcák (Lyukacsos Kábeltálcák)
* Leírás: Ezek a tálcák lapos fenekűek, számos lyukkal ellátva (perforációkkal). A lyukak elsősorban a szellőzést, a vízelvezetést és a kábelek rögzítését szolgálják kábelkötegelőkkel vagy bilincsekkel.
* Jellemzők:
* Szellőzés: A perforációk jó szellőzést biztosítanak a kábeleknek, csökkentve a felmelegedést, ami különösen nagy áramterhelésű kábelek esetén fontos.
* Tisztaság: Kevésbé gyűlik meg bennük a por és a szennyeződés, mint a teljesen zárt rendszerekben.
* Rögzítés: Könnyű rögzíteni a kábeleket a lyukakon keresztül.
* Terhelhetőség: Jó terhelhetőségi jellemzőkkel bírnak.
* Felhasználási területek: Ipari létesítmények, középületek, irodaházak, adatközpontok, gyárak – ahol közepes és nagy mennyiségű kábel vezetésére van szükség, és fontos a szellőzés, valamint a könnyű hozzáférhetőség.
2. Létrás Kábeltálcák (Kábellétrák)
* Leírás: Két oldalsó szárral és közöttük elhelyezett keresztlécekkel (fokokkal) rendelkeznek, létra alakúak.
* Jellemzők:
* Nagy terhelhetőség: Kifejezetten nagy átmérőjű, nehéz kábelek (pl. energiaátviteli kábelek) vezetésére alkalmasak.
* Maximális szellőzés: A nyitott szerkezetnek köszönhetően kiválóan szellőznek, megakadályozva a kábelek túlmelegedését.
* Hosszú fesztávok: Nagyobb fesztávokat is át tudnak hidalni, kevesebb tartókonzolt igényelnek.
* Könnyű kábelbevezetés/kivezetés: A kábelek bárhol bevezethetők vagy kivezethetők a létra fokai között.
* Felhasználási területek: Erőművek, nagy ipari létesítmények, alagutak, nagyméretű szerverparkok, kültéri kábelezések – ahol rendkívül nagy mennyiségű és/vagy nagy átmérőjű kábel vezetésére van szükség.
3. Rácsos Kábeltálcák (Dróthálós Kábeltálcák)
* Leírás: Ponthegesztett acélhuzalokból álló, rácsos szerkezetű tálcák. Különösen rugalmasak és könnyen vághatók, alakíthatók a helyszínen.
* Jellemzők:
* Rugalmasság és alakíthatóság: A helyszínen könnyen vághatók, hajlíthatók, alakíthatók az adott útvonalhoz.
* Könnyű súly: Kisebb önsúlyuk van a többi típushoz képest.
* Gyors telepítés: Egyszerű és gyors a szerelésük.
* Jó szellőzés: A rácsos szerkezet kiváló légáramlást biztosít.
* Átláthatóság: A kábelek jól láthatóak és hozzáférhetők a karbantartás során.
* Felhasználási területek: Adatközpontok (különösen álpadló alatt), irodák álmennyezete, laboratóriumok, kereskedelmi épületek, könnyűipari létesítmények – ahol gyakori lehet a kábelezés módosítása, és fontos a flexibilitás, valamint az átláthatóság.
4. Zárt Fém Kábelcsatornák
* Leírás: Teljesen zárt profilok, amelyek teljes védelmet nyújtanak a benne futó kábeleknek a külső behatásoktól. Fedéllel rendelkeznek, ami rögzíthető.
* Jellemzők:
* Maximális védelem: Kiváló védelmet biztosítanak a por, nedvesség, mechanikai sérülések és rágcsálók ellen.
* Esztétika: Tisztább, rendezettebb megjelenést biztosítanak, elrejtve a kábeleket.
* Elektromágneses árnyékolás: Bizonyos típusok (árnyékolt kivitel) védelmet nyújtanak az elektromágneses interferencia ellen.
* Felhasználási területek: Középületek látható kábelezése, tiszta terek (pl. gyógyszergyárak), élelmiszeripar, ahol fokozott higiéniai követelmények vannak, vagy ahol esztétikai okokból fontos a kábelek elrejtése.
Kábeltálca Rendszerek Kiegészítői
A kábeltálcák önmagukban nem alkotnak teljes rendszert; számos kiegészítőre van szükség a teljes kiépítéshez és funkcionalitáshoz.
* Összekötő elemek / Toldók:
* Hosszanti toldók: Két egyenes kábeltálca szakasz összekötésére szolgálnak. Lehetnek csavaros vagy gyorskapcsolású kivitelűek.
* Csuklós toldók: Lehetővé teszik a kábeltálca síkjának vagy irányának megváltoztatását, azaz felfelé vagy lefelé haladó szakaszok kialakítását.
* Saroktoldók: 90°-os vagy más szögű kanyarok kialakítására szolgálnak.
* Idomok (Kanyarok, Elágazások):
* Vízszintes kanyarok (90°, 45°): Irányváltásra szolgálnak vízszintes síkban.
* Függőleges kanyarok (belső és külső): Fel- és lefelé vezető szakaszok kialakítására.
* T-elágazók, Keresztelágazók: A kábelútvonalak elágaztatására, több irányba történő vezetésére.
* Rögzítő és Tartóelemek:
* Fali konzolok: A kábeltálcák falra rögzítésére szolgálnak, különböző kinyúlással és terhelhetőséggel.
* Mennyezeti függesztők (menetes száras, C-profilos): A mennyezetről való függesztésre, nagy teherbírásúak.
* Padlóállványok: Padlóra történő rögzítéshez, például ipari környezetben.
* Bilincsek, rögzítőkapcsok: A kábeltálca rögzítésére a tartóelemekhez.
* Fedelek és Válaszfalak:
* Fedelek: Védelmet nyújtanak a por, nedvesség, mechanikai sérülések ellen, és esztétikusan elrejtik a kábeleket.
* Válaszfalak: A tálcán belül szeparálják a különböző típusú kábeleket (pl. erősáramú és adatkábelek), megelőzve az elektromágneses interferenciát.
* Kábelrögzítő elemek:
* Kábelkötegelők: Műanyag vagy fém kábelkötegelők a kábelek tálcán belüli rögzítésére.
* Kábelbilincsek: Erősebb rögzítést biztosító fémelemek.
* Földelési kiegészítők:
* Földelő hidak/kapcsok: A kábeltálca szakaszok közötti potenciálkiegyenlítés és földelés biztosítására szolgálnak, ami kulcsfontosságú az érintésvédelem és az elektromágneses kompatibilitás szempontjából.
A fém kábeltálcák széles körben alkalmazhatók, ahol professzionális, biztonságos és rendezett kábelvezetésre van szükség:
* Ipari létesítmények: Gyárcsarnokok, raktárak, erőművek, gépek kábelezése.
* Kereskedelmi épületek: Irodaházak, bevásárlóközpontok, szállodák, kórházak, iskolák.
* Infrastrukturális projektek: Alagutak, hidak, vasútállomások, közlekedési rendszerek.
* Adatközpontok és szerverparkok: A nagyszámú adatkábel rendezett és hűtött vezetésére.
* Megújuló energiaforrások: Napelemparkok, szélerőművek kábelezése.
* Kültéri alkalmazások: Különleges felületkezelésű (pl. tűzihorganyzott) tálcák ellenállnak az időjárás viszontagságainak.
A megfelelő kábeltálca rendszer kiválasztása a kábelek mennyiségétől, típusától, a környezeti feltételektől (por, nedvesség, hőmérséklet, vegyi anyagok), a terhelhetőségi igényektől és a telepítési helytől függ. A precíz tervezés és a szabványoknak való megfelelés elengedhetetlen a biztonságos és hosszú távon megbízható működéshez.
További információért keressen minket bizalommal: info@gazdafielectronic.hu
-
90°-os függőleges sarokidom, „emelkedő” kivitel: 110 mm oldalmagasságú kábeltálcához. A függőleges sarokidomot a kábeltálca végéhez kell illeszteni és összecsavarozni. A szereléshez
szükséges csavarokat külön kell megrendelni.
90°-os függőleges sarokidom, „emelkedő” kivitel: 110 mm oldalmagasságú kábeltálcához.
Letölthető tartalom - 1
Letölthető tartalom - 2
Letölthető tartalom - 3
Letölthető tartalom - 4
-
255,31 €
-
Gyártó OBOAnyag acélFelület szalaghorganyzottGyártói cikkszám 7007322Méret 110x400mmTípus RBV 140 S FSVonalkód / EAN-kód 4012195711766Szín - EF000007 -Modell - EF000010 Csatlakozó nélküli (Without connector)RAL szám - EF000116 -Felületvédelem - EF000139 Folyamatosan horganyzott (Continuously galvanised)Anyagvastagság - EF000386 1Építési típus - EF000767 -Anyagminőség - EF001257 -Működési hőmérséklet - EF001742 - - -Anyag - EF002169 Acél (Steel)Alsó perforáció - EF004545 NemKörfolyamat integritásához megfelelő - EF007806 NemFedéllel - EF007965 -Oldalsó perforáció - EF001122 NemBelső sugár - EF004793 -Kábeltartó szélességhez alkalmas - EF004820 400Kábelcsatorna magassághoz alkalmas - EF004822 110Szög - EF001218 -Irányváltás - EF005210 Függőlegesen emelkedő (Vertically rising)NATO rögzítőlyukak - EF006059 NemRozsdamentes acél, saválló - EF006388 NemHajlítási modell - EF020423 -Gyártó OBONumero articolo 7007322





















