Termékeink
- KIEMELT AJÁNLATAINK [1535]
- Acéltermékek [1890]
- Adapterek [138]
- Áram-védőkapcsolók (Fi-relék) [5221]
- Audio/video kaputelefonok [415]
- Autós kiegészítők [581]
- Betétek és aljzatok [7577]
- Bilincsek [2013]
- Biztonságtechnika [72]
- Csatlakozók [337]
- Csatornák és kiegészítőik [7224]
- Csengők és hangjelzők [345]
- Csomagológépek [6]
- Csőrendszerek és kiegészítőik [3864]
- Dobozok [2769]
- Dugaljak [3879]
- Dugvillák [1541]
- Elektromos autó töltők [540]
- Elektromos közlekedési eszközök [3]
- Elemek és akkumulátorok [659]
- Elosztószekrények [6632]
- Falon kívüli elosztószekrények [905]
- Süllyesztett elosztószekrények [582]
- Ipari elosztószekrények [587]
- CSP típusú elosztó szekrények [86]
- Elosztószekrény kiegészítők [3717]
- Előtétek [160]
- Energiaoszlopok és kiegészítőik [596]
- Épületautomatizálás és intelligens otthon [908]
- Érvéghüvelyek [623]
- Érzékelők,szenzorok és jeladók [3824]
- Feliratok és papírtermékek [816]
- Fémszekrények és kiegészítőik [21442]
- Fényforrások [516]
- Fénykábelek [167]
- Feszültségstabilizátorok [16]
- Foglalatok [131]
- Fogyasztásmérő szekrények, mérőhelyek [2587]
- Fogyasztásmérők [247]
- Forrasztástechnika [185]
- Frekvenciaváltók és lágyindítók [4520]
- Fúrók, menet- és lyukasztófúrók [2779]
- Fűtés- és hűtéstechnika [2459]
- Fűtőkábelek és fűtőszőnyegek [817]
- Gégecsövek és kiegészítőik [571]
- Gipszek [2]
- Gyújtók [13]
- Hajtástechnika, mozgásvezérlés, robotika [4564]
- Hálózati elosztók és hosszabbítók [1481]
- Hangtechnika [205]
- Háztartási termékek [630]
- Inverterek [15]
- Ipari kapcsolók [34056]
- Ipari PC-k, szoftverek [854]
- Iratmegsemmisítők [80]
- Irodai bútorok [69]
- Jelzőlámpák [3229]
- Kábelátvezető [8]
- Kábelek [6445]
- Kábeltálcák és kiegészítőik [9043]
- Karácsonyi dekoráció [3060]
- Kerti kiegészítők [235]
- Kézilámpák és elemlámpák [602]
- Kismegszakítók és kiegészítőik [14657]
- Kondenzátorok [1211]
- Lakossági kapcsolók [21048]
- Lámpatestek [11896]
- LED fénycsövek [489]
- LED fényforrások [4548]
- LED fényfüggönyök,fényhálók [281]
- LED lámpatestek [17497]
- LED modulok [62]
- LED panelek és kiegészítőik [2408]
- LED profilok [1089]
- LED szalagok [1002]
- LED vezérlők [179]
- Légvezeték kiegészítők [97]
- Medence és kiegészítőik [258]
- Mérőműszerek [1810]
- Mozgásérzékelők [536]
- Munkavédelem [3128]
- Nagymegszakítók és kiegészítőik [627]
- Napelemek és kiegészítőik [502]
- Nullázó sínek [79]
- Nyomógombok [11393]
- Okos otthon [2187]
- Oszlopok és kiegészítőik [42]
- Rack szekrények és kiegészítőik [2167]
- Relék [5151]
- Rézsínek [23]
- Rögzítéstechnika [2330]
- Saruk [1689]
- Sorkapcsok és vezetékösszekötők [2993]
- Sport és szabadidő [56]
- Szerszámok [10844]
- Szigetelőszalagok [542]
- Szünetmentes tápegységek, UPS-ek [721]
- Telefon kiegészítők [205]
- Termosztátok [533]
- Toldóhüvelyek [408]
- Tömszelencék [1365]
- TV Audio kiegészítők [274]
- Trafók/tápegységek [1758]
- Túlfeszültség levezetők [1458]
- Tűzcsapok [75]
- Vágás- és csiszolástechnika [983]
- Védőcsövek és kiegészítőik [1353]
- Vegyi termékek [329]
- Ventilátorok és kiegészítőik [827]
- Vezetékek [5205]
- Vezetékjelölők [1101]
- Vezetékkötegelők és kiegészítőik [940]
- Villámvédelem [2143]
- Vonalkódtechnika [20485]
- Zsugorcsövek és végzárók [1278]
- Feltöltés alatt [7550]
- Új feltöltés [44453]
Prodotti top
Ultima visualizzazione
Consigli sui prodotti
I nostri partner
Dettagli prodotto
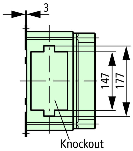
EATON 002234 CI IP65 műanyag elosztó tömszelence kikönnyítésekkel(NA)
Eaton 002234 általános leírása:
A villamossági elosztószekrény egy olyan fém vagy műanyag doboz, amelyben az épület vagy létesítmény elektromos rendszerének főbb komponensei találhatók. Ezek a komponensek lehetnek például:
* Főkapcsoló: Az egész épület vagy egy adott terület áramellátását megszakító kapcsoló.
* Biztosíték vagy kismegszakító: Az egyes áramköröket védi az túlterhelés és a rövidzárlat ellen.
* Földelő buszbarát: Az elektromos rendszer biztonságát szolgálja a földelés biztosításával.
* Mérőóra: Az energiafogyasztást méri.
* Egyéb kiegészítők: Pl. feszültségszabályozó, fázisváltó, stb.
Az elosztószekrények típusai
Az elosztószekrények különböző méretben, kialakításban és anyagból készülnek. A leggyakoribb típusok:
* Falra szerelhető: Kisebb épületekben, lakásokban használják.
* Talpállványos: Nagyobb teljesítményű rendszerekhez, ipari létesítményekben.
* Beépített: A falba vagy a födémbe süllyesztett szekrények.
* Moduláris: Az egyes elemek cserélhetők, bővíthetők.
Az elosztószekrények feladatai
* Az elektromos energia elosztása: A beérkező elektromos energiát elosztja az épület vagy létesítmény különböző pontjaira.
* Védelem: Védi az elektromos rendszert a túlterhelés, a rövidzárlat és más meghibásodások ellen.
* Biztonság: Biztosítja az elektromos rendszer biztonságos működését.
* Mérés: Mérni lehet vele az energiafogyasztást.
Az elosztószekrények jellemzői
* Anyag: Általában fém (pl. lemezacél) vagy műanyag.
* Védettség: Az IP-besorolás alapján határozzák meg, hogy milyen környezeti hatásokkal szemben védett (por, víz).
* Méret: A beépített elemek számától és típusától függ.
* Szigetelés: A belső alkatrészek szigetelése biztosítja a biztonságos működést.
Az elosztószekrények felhasználási területei
Az elosztószekrényeket szinte minden olyan helyen megtalálhatjuk, ahol elektromos energia van jelen:
* Lakások: Minden lakásban van egy vagy több elosztószekrény.
* Irodaházak: Nagyobb épületekben több elosztószekrény is lehet.
* Ipari létesítmények: Az ipari üzemekben nagy teljesítményű elosztószekrények találhatóak.
* Középületek: Iskolák, kórházak, stb.
Az elosztószekrények fontossága
Az elosztószekrény az elektromos rendszer központja, ezért rendkívül fontos a megfelelő kiválasztása, telepítése és karbantartása. Egy jól megtervezett és kivitelezett elosztószekrény biztosítja az elektromos rendszer biztonságos és megbízható működését.
Fontos megjegyezni: Az elosztószekrényekkel kapcsolatos munkát mindig szakemberre kell bízni! Az önálló barkácsolás veszélyes lehet, és károsíthatja az elektromos rendszert.
További információért keressen minket bizalommal: info@gazdafielectronic.hu
-
Gyártó EATONGyártói cikkszám 002234Méret 296x234x150mmSzín szürkeTípus CI23-125-NAVonalkód / EAN-kód 4015080022343Rögzítési módszer - EF000003 Felületre szerelhető (Surface mounted)Védelmi osztály az IEC 61140 szerint - EF000004 IISzín - EF000007 Szürke (Grey)Szélesség - EF000008 234Magasság - EF000040 296Mélység - EF000049 150RAL szám - EF000116 7035Szerelőlemez nélkül - EF000118 NemFelületvédelem - EF000139 Egyéb (Other)Beépített mélység - EF000218 125Sorosztályok száma - EF000266 0Fedőanyag típusa - EF000339 Nincs (None)Kábeltovábbító bejáratok száma - EF000437 0Kiterjesztés lehetséges - EF001088 IgenBelső mélység - EF001131 125Ház anyaga - EF001596 Műanyag (Plastic)Áramkör integritás - EF001613 Egyéb (Other)Szélesség moduláris távolságok számában - EF002950 9Külső használatra alkalmas - EF003532 IgenÜtésállóság - EF004293 IK10Modulok száma - EF004427 1Ajtó típusa - EF004464 Nincs (None)Védettségi fokozat (IP) - EF005474 IP65Átlátszó burkolat/ajtó - EF006244 IgenZárral - EF006306 NemVillámvédelmi célra alkalmas - EF007800 IgenNévleges áram (In) - EF008873 1600Szekrény anyaglemez vastagság - EF009170 6Anyaglemez vastagság ajtó/fedél - EF009171 6Fedőmodell - EF009212 Zárt (Closed)Flangelemezek nyílások száma - EF009554 0Védelem foka (NEMA) - EF011959 4XTúlnyomás-mentesítő fedelekkel - EF015940 IgenGyártó EatonNumero articolo EATON002234




























