Termékeink
- KIEMELT AJÁNLATAINK [1535]
- Acéltermékek [1890]
- Adapterek [138]
- Áram-védőkapcsolók (Fi-relék) [5221]
- Audio/video kaputelefonok [415]
- Autós kiegészítők [581]
- Betétek és aljzatok [7577]
- Porcelán betétek [85]
- Üveg betétek [51]
- Késes betétek [3911]
- Hengeres betétek [1321]
- Középfeszültségű betétek [376]
- Betét aljzatok [281]
- Biztosítós szakaszolók [813]
- Kiegészítőik [739]
- Bilincsek [2013]
- Biztonságtechnika [72]
- Csatlakozók [337]
- Csatornák és kiegészítőik [7224]
- Csengők és hangjelzők [344]
- Csomagológépek [6]
- Csőrendszerek és kiegészítőik [3864]
- Dobozok [2769]
- Dugaljak [3879]
- Dugvillák [1541]
- Elektromos autó töltők [540]
- Elektromos közlekedési eszközök [3]
- Elemek és akkumulátorok [659]
- Elosztószekrények [6632]
- Előtétek [160]
- Energiaoszlopok és kiegészítőik [596]
- Épületautomatizálás és intelligens otthon [908]
- Érvéghüvelyek [623]
- Érzékelők,szenzorok és jeladók [3824]
- Feliratok és papírtermékek [816]
- Fémszekrények és kiegészítőik [21442]
- Fényforrások [516]
- Fénykábelek [167]
- Feszültségstabilizátorok [16]
- Foglalatok [131]
- Fogyasztásmérő szekrények, mérőhelyek [2587]
- Fogyasztásmérők [247]
- Forrasztástechnika [185]
- Frekvenciaváltók és lágyindítók [4520]
- Fúrók, menet- és lyukasztófúrók [2779]
- Fűtés- és hűtéstechnika [2459]
- Fűtőkábelek és fűtőszőnyegek [817]
- Gégecsövek és kiegészítőik [571]
- Gipszek [2]
- Gyújtók [13]
- Hajtástechnika, mozgásvezérlés, robotika [4564]
- Hálózati elosztók és hosszabbítók [1481]
- Hangtechnika [205]
- Háztartási termékek [630]
- Inverterek [15]
- Ipari kapcsolók [34056]
- Ipari PC-k, szoftverek [854]
- Iratmegsemmisítők [80]
- Irodai bútorok [69]
- Jelzőlámpák [3229]
- Kábelátvezető [8]
- Kábelek [6445]
- Kábeltálcák és kiegészítőik [9043]
- Karácsonyi dekoráció [3060]
- Kerti kiegészítők [235]
- Kézilámpák és elemlámpák [602]
- Kismegszakítók és kiegészítőik [14657]
- Kondenzátorok [1211]
- Lakossági kapcsolók [21048]
- Lámpatestek [11896]
- LED fénycsövek [489]
- LED fényforrások [4548]
- LED fényfüggönyök,fényhálók [281]
- LED lámpatestek [17497]
- LED modulok [62]
- LED panelek és kiegészítőik [2408]
- LED profilok [1089]
- LED szalagok [1002]
- LED vezérlők [179]
- Légvezeték kiegészítők [97]
- Medence és kiegészítőik [258]
- Mérőműszerek [1810]
- Mozgásérzékelők [536]
- Munkavédelem [3128]
- Nagymegszakítók és kiegészítőik [627]
- Napelemek és kiegészítőik [502]
- Nullázó sínek [79]
- Nyomógombok [11393]
- Okos otthon [2187]
- Oszlopok és kiegészítőik [42]
- Rack szekrények és kiegészítőik [2167]
- Relék [5151]
- Rézsínek [23]
- Rögzítéstechnika [2330]
- Saruk [1689]
- Sorkapcsok és vezetékösszekötők [2993]
- Sport és szabadidő [56]
- Szerszámok [10844]
- Szigetelőszalagok [542]
- Szünetmentes tápegységek, UPS-ek [721]
- Telefon kiegészítők [205]
- Termosztátok [533]
- Toldóhüvelyek [408]
- Tömszelencék [1365]
- TV Audio kiegészítők [274]
- Trafók/tápegységek [1758]
- Túlfeszültség levezetők [1458]
- Tűzcsapok [75]
- Vágás- és csiszolástechnika [983]
- Védőcsövek és kiegészítőik [1353]
- Vegyi termékek [329]
- Ventilátorok és kiegészítőik [827]
- Vezetékek [5205]
- Vezetékjelölők [1101]
- Vezetékkötegelők és kiegészítőik [940]
- Villámvédelem [2143]
- Vonalkódtechnika [20485]
- Zsugorcsövek és végzárók [1278]
- Feltöltés alatt [7550]
- Új feltöltés [44453]
Prodotti top
Consigli sui prodotti
I nostri partner
Dettagli prodotto
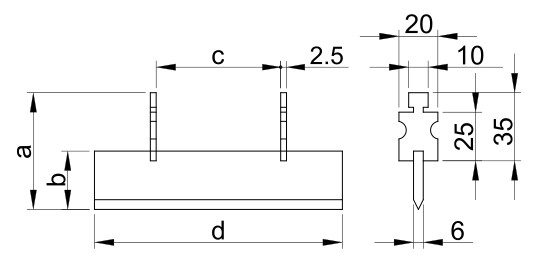
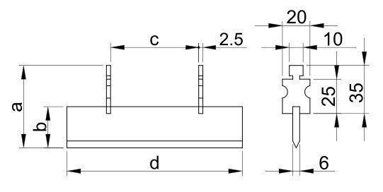
TRACON NTR3 Rövidrezáró kés 3 / 1P
TRACON NTR3 általános leírása:
Mi az a villamossági biztosító betét?
A villamossági biztosító betét egy olyan eszköz, amely az elektromos áramkör túlterhelés vagy rövidzárlat esetén automatikusan megszakítja az áramkört, így megvédve az elektromos berendezéseket és a felhasználókat a tűz vagy más veszélyektől.
A biztosító betétek fajtái
A biztosító betétek számos típusra oszthatók, amelyeket különböző tulajdonságaik és alkalmazási területeik alapján különböztetünk meg:
* Késes (NH) biztosítók: A leggyakrabban használt típus. Egy fémcsíkból áll, amely a túlterhelés hatására felmelegszik és megszakad.
* Porcelán biztosítók: Régebbi típus, amelyben egy vékony huzal olvad el túlterhelés esetén.
* Miniatűr biztosítók (golyós biztosítók): Kis méretű, gyors hatású biztosítók, amelyeket érzékeny elektronikai eszközök védelmére használnak.
* Félautomata biztosítók: Kézi visszaállításra képesek, és általában nagyobb áramerősségek védelmére alkalmazzák.
* Elektronikus biztosítók: Mikroprocesszoros vezérlésű, intelligens biztosítók, amelyek képesek az áramkör állapotát folyamatosan monitorozni és a legoptimálisabb védelmet biztosítani.
A biztosító betétek működése
A biztosító betétek alapvető működési elve az, hogy egy bizonyos áramerősség elérésekor a betétben lévő vezetőanyag felmelegszik és megszakad, így megszakítva az áramkört. A megszakadás gyorsasága a biztosító típusától és a bekövetkező hiba jellegétől függ.
A biztosító betétek felfedezése és története
A biztosító betét pontos feltalálója nem ismert, mivel az elektromos áramkörök védelmének igénye a villamosság korai fejlődésével párhuzamosan merült fel. Az első biztosító betétek egyszerű, önolvadó huzalok voltak, amelyeket a 19. században kezdtek alkalmazni. Azóta a biztosító technológia jelentős fejlődésen ment keresztül, és ma már számos fejlett típusú biztosító betét áll rendelkezésre.
Hol használják a biztosító betéteket?
A biztosító betéteket széles körben alkalmazzák az elektromos energia elosztásában és felhasználásában. Megtalálhatók:
* Háztartási elektromos hálózatokban
* Ipari üzemekben
* Járművekben
* Elektronikai eszközökben
* Mérőműszerekben
* Mért és méretlen elektromos
hálozatoknál.
Összefoglalás
A villamossági biztosító betétek elengedhetetlen elemei az elektromos rendszerek biztonságos működésének. Különböző típusú és méretű biztosító betétek állnak rendelkezésre, amelyeket az adott alkalmazás igényeihez igazíthatunk. A biztosító betétek kiválasztásánál fontos figyelembe venni az áramkör névleges áramát, a várható terhelést és a védeni kívánt berendezések típusát.
Megjegyzés: A villamossági rendszerek biztonságával kapcsolatos kérdésekben mindig fordulj szakemberhez!
További információért keressen minket bizalommal: info@gazdafielectronic.hu
-
Gyártó TRACONEnergiaosztály 2023- -Teljesítményveszteség névleges áramnál 48 WGyártói cikkszám NTR3Névleges áram 630 AMéret NH3Súly 0.26475Vonalkód / EAN-kód 5997374118194Letölthető tartalom - Katalógus oldal Letölthető tartalom - CE - Nyilatkozat Gyártó TRACONNumero articolo NTR3






















