Termékeink
- KIEMELT AJÁNLATAINK [1535]
- Acéltermékek [1890]
- Adapterek [138]
- Áram-védőkapcsolók (Fi-relék) [5221]
- Audio/video kaputelefonok [415]
- Autós kiegészítők [581]
- Betétek és aljzatok [7577]
- Bilincsek [2013]
- Biztonságtechnika [72]
- Csatlakozók [337]
- Csatornák és kiegészítőik [7224]
- Csengők és hangjelzők [345]
- Csomagológépek [6]
- Csőrendszerek és kiegészítőik [3864]
- Dobozok [2769]
- Dugaljak [3879]
- Dugvillák [1541]
- Elektromos autó töltők [540]
- Elektromos közlekedési eszközök [3]
- Elemek és akkumulátorok [659]
- Elosztószekrények [6636]
- Előtétek [160]
- Energiaoszlopok és kiegészítőik [596]
- Épületautomatizálás és intelligens otthon [908]
- Érvéghüvelyek [623]
- Érzékelők,szenzorok és jeladók [3824]
- Feliratok és papírtermékek [816]
- Fémszekrények és kiegészítőik [21442]
- Fényforrások [516]
- Fénykábelek [167]
- Feszültségstabilizátorok [16]
- Foglalatok [131]
- Fogyasztásmérő szekrények, mérőhelyek [2587]
- Fogyasztásmérők [247]
- Forrasztástechnika [185]
- Frekvenciaváltók és lágyindítók [4520]
- Fúrók, menet- és lyukasztófúrók [2779]
- Fűtés- és hűtéstechnika [2459]
- Fűtőkábelek és fűtőszőnyegek [817]
- Gégecsövek és kiegészítőik [571]
- Gipszek [2]
- Gyújtók [13]
- Hajtástechnika, mozgásvezérlés, robotika [4564]
- Hálózati elosztók és hosszabbítók [1481]
- Hangtechnika [205]
- Háztartási termékek [630]
- Inverterek [15]
- Ipari kapcsolók [34056]
- Ipari PC-k, szoftverek [854]
- Iratmegsemmisítők [80]
- Irodai bútorok [69]
- Jelzőlámpák [3229]
- Kábelátvezető [8]
- Kábelek [6445]
- Kábeltálcák és kiegészítőik [9043]
- Karácsonyi dekoráció [3060]
- Kerti kiegészítők [235]
- Kézilámpák és elemlámpák [602]
- Kismegszakítók és kiegészítőik [14657]
- Kondenzátorok [1211]
- Lakossági kapcsolók [21048]
- Lámpatestek [11897]
- LED fénycsövek [489]
- LED fényforrások [4548]
- LED fényfüggönyök,fényhálók [281]
- LED lámpatestek [17497]
- LED modulok [62]
- LED panelek és kiegészítőik [2408]
- LED profilok [1089]
- LED szalagok [1002]
- LED vezérlők [179]
- Légvezeték kiegészítők [97]
- Medence és kiegészítőik [258]
- Mérőműszerek [1810]
- Mozgásérzékelők [536]
- Munkavédelem [3128]
- Nagymegszakítók és kiegészítőik [627]
- Napelemek és kiegészítőik [502]
- Nullázó sínek [79]
- Nyomógombok [11393]
- Okos otthon [2187]
- Oszlopok és kiegészítőik [42]
- Rack szekrények és kiegészítőik [2167]
- Relék [5151]
- Csatoló relék [472]
- Felügyeleti relék [315]
- Időrelék [315]
- Impulzus relék [204]
- Installációs relék [115]
- Interfész relék [139]
- Ipari relék [406]
- Miniatűr relék [416]
- Miniatűr teljesítmény relék [359]
- Nagyteljesítményű relék [82]
- Okosrelék [42]
- Print relék [559]
- Szilárdtest relék [202]
- Univerzális relék [49]
- Védőrelék [472]
- Relé aljzatok [272]
- Relé kiegészítők [320]
- Fényerőszabályzó/Dimmer [17]
- Bistabil relé [5]
- Hőmérséklet érzékelő, folyadékszint szonda [17]
- Folyadékszint kapcsolók [7]
- Vezérlő és jelzőkészülékek [18]
- Rézsínek [23]
- Rögzítéstechnika [2330]
- Saruk [1689]
- Sorkapcsok és vezetékösszekötők [2993]
- Sport és szabadidő [56]
- Szerszámok [10844]
- Szigetelőszalagok [542]
- Szünetmentes tápegységek, UPS-ek [721]
- Telefon kiegészítők [205]
- Termosztátok [533]
- Toldóhüvelyek [408]
- Tömszelencék [1365]
- TV Audio kiegészítők [274]
- Trafók/tápegységek [1758]
- Túlfeszültség levezetők [1458]
- Tűzcsapok [75]
- Vágás- és csiszolástechnika [983]
- Védőcsövek és kiegészítőik [1353]
- Vegyi termékek [329]
- Ventilátorok és kiegészítőik [827]
- Vezetékek [5205]
- Vezetékjelölők [1101]
- Vezetékkötegelők és kiegészítőik [940]
- Villámvédelem [2143]
- Vonalkódtechnika [20485]
- Zsugorcsövek és végzárók [1278]
- Feltöltés alatt [7550]
- Új feltöltés [44226]
Prodotti top
Ultima visualizzazione
Consigli sui prodotti
I nostri partner
Dettagli prodotto
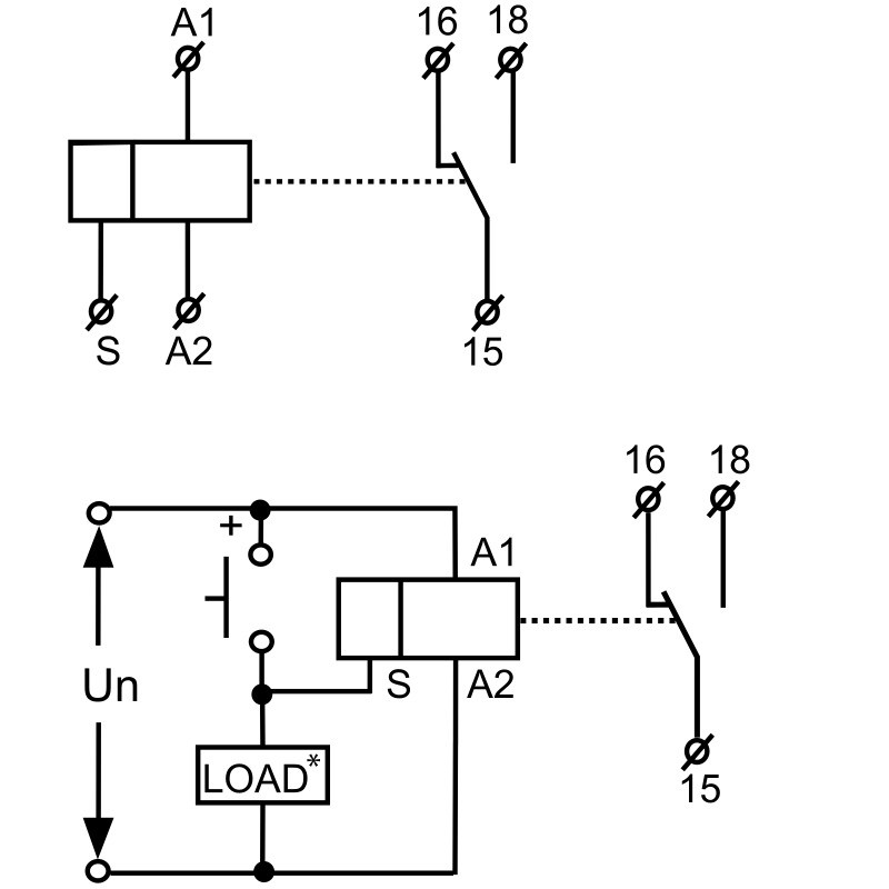
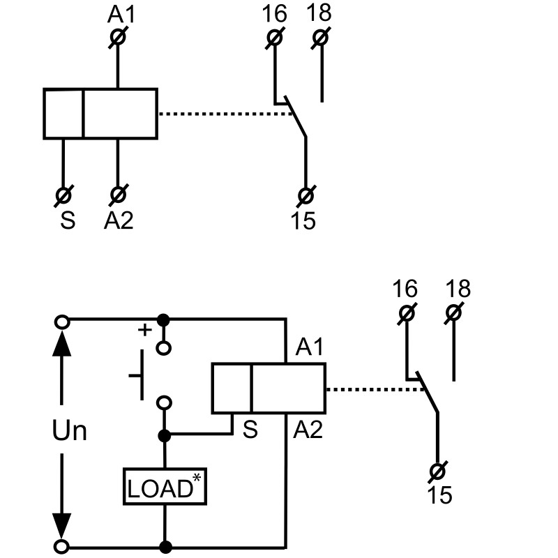
TRACON NARIDOFF Egyfunkciós (elengedéskésleltetéses) időrelé AC/DC 12-240V, 0,1s-10d, 16A/AC1, 250VAC/24VDC
TRACON NARIDOFF általános leírása:
A relé egy olyan elektromechanikus vagy elektronikus eszköz, amely egy kisebb áramkörrel vezérel egy nagyobb teljesítményű áramkört. Az épületvillamosságban számos feladatot lát el, segítve a biztonságos és hatékony működést.
Hogyan működik?
A relé működése egyszerűen szemléltethető egy kapcsolóval, amelyet egy mágnes mozgat. Amikor egy kisebb áramkörben áram folyik, a mágnes behúzódik, és zárja a kapcsolót. Ezáltal a nagyobb teljesítményű áramkör is záródik, és áram folyhat át rajta.
Milyen típusú relék léteznek?
* Elektromechanikus relék: Ezekben a relékben egy elektromágnes mozgatja a fém érintkezőket.
* Elektronikus relék (szilárdtest relék): Ezekben a relékben félvezetők végzik a kapcsolási feladatot.
* Időrelék: Az idő múlásával kapcsolnak vagy szakítanak.
* Feszültségrelék: Egy bizonyos feszültségszint elérésekor kapcsolnak vagy szakítanak.
* Áramrelék: Egy bizonyos áramerősség elérésekor kapcsolnak vagy szakítanak.
Miért használjuk az épületvillamosságban?
* Biztonság: Galvanikus elválasztást biztosít, csökkentve a rövidzárlat kockázatát.
* Védelem: Túlterhelés, rövidzárlat esetén automatikusan megszakítja az áramkört.
* Vezérlés: Kisfeszültségű jellel nagy teljesítményű berendezéseket vezérelhetünk.
* Automatizálás: Automatizálhatunk számos folyamatot, pl. világításvezérlés, fűtés.
Hol használjuk?
* Világításvezérlés: Időzítés, fényérzékelés alapján kapcsolja a világítást.
* Fűtés és hűtés szabályozás: A hőmérséklet érzékelők jelei alapján szabályozza a fűtési és hűtési rendszereket.
* Biztonsági rendszerek: Riasztórendszerekben, tűzjelző rendszerekben.
* Motorvezérlés: Szivattyúk, ventilátorok vezérlésére.
Összefoglalva: A relék nélkülözhetetlen elemei az épületvillamosságnak. Segítségükkel biztonságosabb, hatékonyabb és kényelmesebb működést érhetünk el.
További információért keressen minket bizalommal: info@gazdafielectronic.hu
-
Letölthető tartalom - Katalógus oldal - TRACONNARIDOFF
Letölthető tartalom - CE - Nyilatkozat - TRACONNARIDOFF
Letölthető tartalom - Szóróanyag - TRACONNARIDOFF
Letölthető tartalom - Használati útmutató - TRACONNARIDOFF
Letölthető tartalom - CE - Nyilatkozat - TRACONNARIDOFF
Letölthető tartalom - Katalógus oldal - TRACONNARIDOFF
Letölthető tartalom - Szóróanyag - TRACONNARIDOFF
Letölthető tartalom - Használati útmutató - TRACONNARIDOFF
-
19,59 € 24,15 € 28,22 €
-
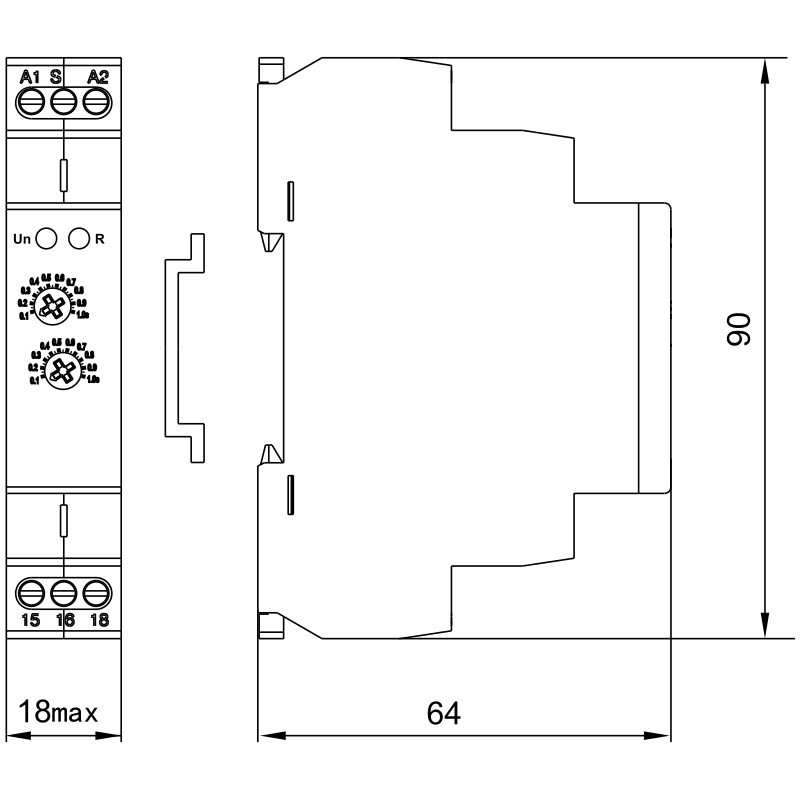
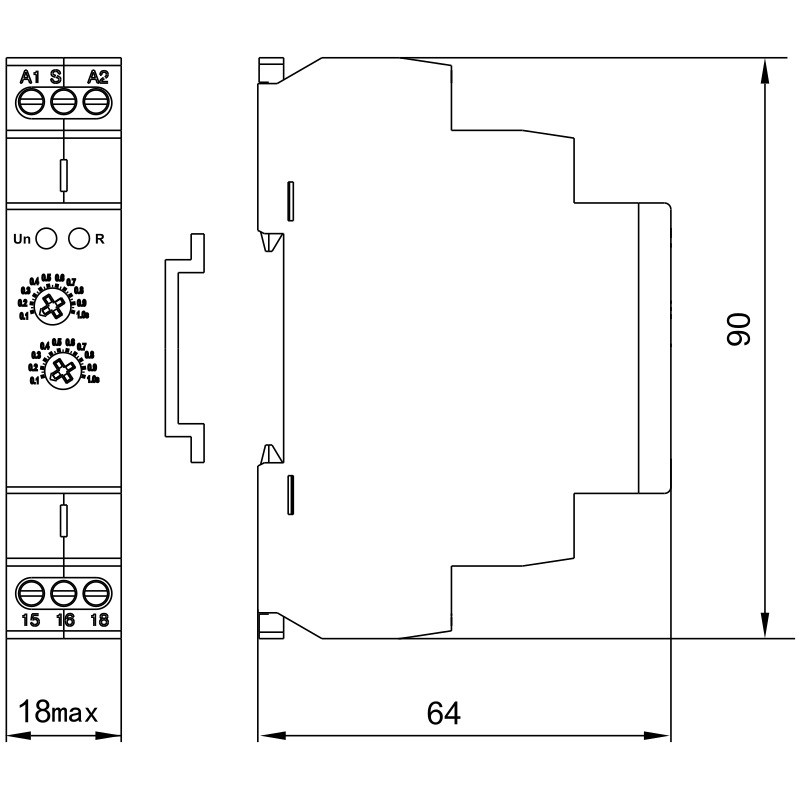
Gyártó TRACONMűködtetés feszültségtípusa AC/DCÁramerősség 16AFunkció meghúzás késleltetésű NemFunkció ejtés késleltetésű IgenFunkció bekapcsolást törlő NemFunkció kikapcsolást törlő NemFunkció csillag/delta NemFunkció villogó, impulzussal kezdő, meghatározott idő IgenFunkció ütemes, impulzussal kezdő, változtatható IgenNévleges tekercsfeszültség AC (50 Hz)-nél 12 -240 VIdőtartomány 0,1 -864 000 sKimenetek száma, késleltetett, váltó 1Kalapsínre szereléshez alkalmas IgenAlkalmas frontoldali szereléshez IgenEnergiaosztály 2023- -Gyártói cikkszám NARIDOFFElektromos csatlakozó típusa csavarosNévleges áram 16 AMagasság 90 mmMélység 64 mmSúly 0.08085Szélesség 18 mmVonalkód / EAN-kód 5997374211680Letölthető tartalom - Használati útmutató Letölthető tartalom - Katalógus oldal Letölthető tartalom - Szóróanyag Letölthető tartalom - CE - Nyilatkozat Gyártó TRACONNumero articolo TRACONNARIDOFF


























