Termékeink
- KIEMELT AJÁNLATAINK [1535]
- Acéltermékek [1890]
- Adapterek [138]
- Áram-védőkapcsolók (Fi-relék) [5221]
- Audio/video kaputelefonok [415]
- Autós kiegészítők [581]
- Betétek és aljzatok [7577]
- Bilincsek [2013]
- Biztonságtechnika [72]
- Csatlakozók [337]
- Csatornák és kiegészítőik [7224]
- Csengők és hangjelzők [345]
- Csomagológépek [6]
- Csőrendszerek és kiegészítőik [3864]
- Dobozok [2769]
- Dugaljak [3879]
- Dugvillák [1541]
- Elektromos autó töltők [540]
- Elektromos közlekedési eszközök [3]
- Elemek és akkumulátorok [659]
- Elosztószekrények [6632]
- Előtétek [160]
- Energiaoszlopok és kiegészítőik [596]
- Épületautomatizálás és intelligens otthon [908]
- Érvéghüvelyek [623]
- Érzékelők,szenzorok és jeladók [3824]
- Feliratok és papírtermékek [816]
- Fémszekrények és kiegészítőik [21442]
- Fényforrások [516]
- Fénykábelek [167]
- Feszültségstabilizátorok [16]
- Foglalatok [131]
- Fogyasztásmérő szekrények, mérőhelyek [2587]
- Fogyasztásmérők [247]
- Forrasztástechnika [185]
- Frekvenciaváltók és lágyindítók [4520]
- Fúrók, menet- és lyukasztófúrók [2779]
- Fűtés- és hűtéstechnika [2459]
- Fűtőkábelek és fűtőszőnyegek [817]
- Gégecsövek és kiegészítőik [571]
- Gipszek [2]
- Gyújtók [13]
- Hajtástechnika, mozgásvezérlés, robotika [4564]
- Hálózati elosztók és hosszabbítók [1481]
- Hangtechnika [205]
- Háztartási termékek [630]
- Inverterek [15]
- Ipari kapcsolók [34056]
- Alkonykapcsolók [51]
- Beépíthető ipari kapcsolók [504]
- Billenő kapcsolók [62]
- Darukapcsolók és kiegészítőik [315]
- Főkapcsolók [2571]
- Húzókapcsolók és kiegészítőik [184]
- Időkapcsolók [131]
- Karos kapcsolók és kiegészítőik [53]
- Kompakt megszakítók és kiegészítőik [8669]
- Kontaktorok és kiegészítőik [3522]
- Kulcsos kapcsolók [490]
- Lábkapcsolók [104]
- Lakatolható kapcsolók [163]
- Légmegszakítók és kiegészítőik [667]
- Leválasztó kapcsolók [737]
- Mágneskapcsolók és kiegészítőik [2624]
- Mikrokapcsolók [41]
- Motorvezérlő- és motorvédőkapcsolók és kiegészítőik [2251]
- Moduláris kapcsolók [248]
- Munkaáramú kioldók [449]
- Nyomáskapcsolók [419]
- Segédérintkezők [829]
- Terheléskapcsolók és kiegészítőik [425]
- Terhelésszakaszolók [2262]
- Tokozott kapcsolók [459]
- Úszókapcsolók [17]
- Végálláskapcsolók [1999]
- Vészleállító kapcsolók [267]
- Kapcsoló tokozatok [225]
- Forgató karok [490]
- Feliratok [49]
- Ipari PC-k, szoftverek [854]
- Iratmegsemmisítők [80]
- Irodai bútorok [69]
- Jelzőlámpák [3229]
- Kábelátvezető [8]
- Kábelek [6445]
- Kábeltálcák és kiegészítőik [9043]
- Karácsonyi dekoráció [3060]
- Kerti kiegészítők [235]
- Kézilámpák és elemlámpák [602]
- Kismegszakítók és kiegészítőik [14657]
- Kondenzátorok [1211]
- Lakossági kapcsolók [21048]
- Lámpatestek [11896]
- LED fénycsövek [489]
- LED fényforrások [4548]
- LED fényfüggönyök,fényhálók [281]
- LED lámpatestek [17497]
- LED modulok [62]
- LED panelek és kiegészítőik [2408]
- LED profilok [1089]
- LED szalagok [1002]
- LED vezérlők [179]
- Légvezeték kiegészítők [97]
- Medence és kiegészítőik [258]
- Mérőműszerek [1810]
- Mozgásérzékelők [536]
- Munkavédelem [3128]
- Nagymegszakítók és kiegészítőik [627]
- Napelemek és kiegészítőik [502]
- Nullázó sínek [79]
- Nyomógombok [11393]
- Okos otthon [2187]
- Oszlopok és kiegészítőik [42]
- Rack szekrények és kiegészítőik [2167]
- Relék [5151]
- Rézsínek [23]
- Rögzítéstechnika [2330]
- Saruk [1689]
- Sorkapcsok és vezetékösszekötők [2993]
- Sport és szabadidő [56]
- Szerszámok [10844]
- Szigetelőszalagok [542]
- Szünetmentes tápegységek, UPS-ek [721]
- Telefon kiegészítők [205]
- Termosztátok [533]
- Toldóhüvelyek [408]
- Tömszelencék [1365]
- TV Audio kiegészítők [274]
- Trafók/tápegységek [1758]
- Túlfeszültség levezetők [1458]
- Tűzcsapok [75]
- Vágás- és csiszolástechnika [983]
- Védőcsövek és kiegészítőik [1353]
- Vegyi termékek [329]
- Ventilátorok és kiegészítőik [827]
- Vezetékek [5205]
- Vezetékjelölők [1101]
- Vezetékkötegelők és kiegészítőik [940]
- Villámvédelem [2143]
- Vonalkódtechnika [20485]
- Zsugorcsövek és végzárók [1278]
- Feltöltés alatt [7550]
- Új feltöltés [44453]
Prodotti top
Ultima visualizzazione
Consigli sui prodotti
I nostri partner
Dettagli prodotto
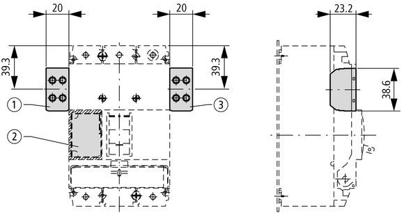
EATON 259746 NZM1-XAL380-440AC/DC Munkaáramú kioldó
Eaton 259746 általános leírása:
Az ipari kapcsolók nélkülözhetetlen elemei a modern gyártási folyamatoknak és automatizálási rendszereknek. Ezek a mechanikus vagy elektronikus eszközök feladata, hogy vezéreljék az elektromos áramot különböző berendezésekben és gépekben.
Az ipari kapcsolók széles választékban kaphatók, és számos különböző típusuk létezik. A leggyakoribb típusok közé tartoznak:
* Motorkapcsolók: Speciálisan motorok indítására és leállítására tervezett kapcsolók.
* Teljesítménykapcsolók: Nagy teljesítményű áramkörök kapcsolására szolgálnak.
* Biztonsági kapcsolók: Biztonsági funkciókat látnak el, például vészleállítást vagy ajtózárást vezérelnek.
* Hőmérséklet-kapcsolók: Hőmérsékletváltozás hatására kapcsolnak.
* Szintkapcsolók: Folyadékszint vagy szilárd anyagok szintjének érzékelésére és kapcsolásra szolgálnak.
* Nyomáskapcsolók: Nyomásváltozás hatására kapcsolnak.
Az ipari kapcsolók jellemzői
* Kapcsolási teljesítmény: Az a maximális áram, amelyet a kapcsoló képes megszakítani.
* Kapcsolási feszültség: A maximális feszültség, amelyet a kapcsoló képes kezelni.
* Élettartam: A kapcsoló működési ciklusainak száma meghibásodásig.
* Védettség: A kapcsoló védettsége a környezeti hatásokkal szemben (por, nedvesség, ütések).
* Kapcsolat típusa: Normál nyitott vagy normál zárt kapcsolat.
* Működtetési mód: Kézi, automatikus vagy távvezérlésű.
Az ipari kapcsolók felhasználási területei
Az ipari kapcsolók széles körben alkalmazhatók különböző iparágakban, például:
* Gyártás: Gépek, berendezések vezérlése, automatizálás.
* Energetika: Áram elosztása, védelem.
* Épületgépészet: Fűtés, szellőzés, légkondicionálás.
* Automatizálás: Robotika, PLC-k.
Egyéb információk
* Anyagok: Az ipari kapcsolók általában fémötvözetekből, műanyagokból és kerámiákból készülnek.
* Szerelés: Az ipari kapcsolók különböző szerelési módokkal rendelkezhetnek (panelre szerelhető, DIN sínre szerelhető stb.).
* Biztonság: Az ipari kapcsolók kiválasztásakor kiemelt figyelmet kell fordítani a biztonságra. A megfelelő védettségű és minősített kapcsolókat kell választani.
* Karbantartás: Az ipari kapcsolókat rendszeresen ellenőrizni és karbantartani kell ajánlott 8-10 évente cserélni.
További információért keressen minket bizalommal: info@gazdafielectronic.hu
-
1000x1000_300dpi
Native%20File
03_NZM1.pdf
eaton-circuit-breaker-nzm1-xa-xahiv-xhiv-xu-xuhiv-il01203002z.pdf
ETN.NZM1-XAL380-440AC_DC.edz
index.html?videoId=5772471718001
index.html?videoId=5786478242001
index.html?videoId=5970348728001
index.html?videoId=5767396423001
eaton-digital-nzm-catalog-ca013003en-en-us.pdf
eaton-nzm-technical-information-sheet-de-en.pdf
datasheet.php?model=259746&locale=en_GB
datasheet.php?model=259746&locale=de_DE
datasheet.php?model=259746&locale=hu
-
Gyártó EATONGyártói cikkszám 259746Vonalkód / EAN-kód 4015082597467Teljesítményfogyasztás - EF000346 -Alkalmas a terhelés leválasztó kapcsolóra - EF001543 IgenTúlterhelés-védő reléhez alkalmas - EF001545 NemElektromos csatlakozás típusa - EF003961 Csavaros csatlakozás (Screw connection)Névleges vezérlő tápegység feszültség AC 50 Hz - EF003978 380 - 440Névleges vezérlőtápfeszültség AC 60 Hz - EF003979 380 - 440Névleges vezérlőtápfeszültség DC - EF003980 380 - 440Motor biztonsági kapcsolóhoz megfelelő - EF005826 NemÁramkör megszakítóra alkalmas - EF005863 NemKezdeti érték a késleltetés nélküli rövidzárlati kioldóhoz - beállítási tartomány - EF008187 0Végérték állítási tartomány késleltetés nélküli rövidzárlati leválasztó - EF008188 0Akkumulátor típusa a működtetéshez - EF008242 ACNormál zártaként működő érintkezők száma - EF008255 0Normál nyitott érintkezők száma - EF008256 0Váltóérintkezők száma - EF008257 0Gyártó EatonNumero articolo eaton259746























