Produsele
- Oferte evidentiate. [1535]
- Acéltermékek [1890]
- Adaptoare . [138]
- Comutatoare de curent-sigurante (Releuri Fi) . [5221]
- Interfoane audio/video . [415]
- Accesorii auto . [581]
- Sigurante + suport / soclu sigurante . [7577]
- Coliere de prindere, fixare [2013]
- Sisteme de securitate . [72]
- Mufe . [337]
- Pat cablu si accesorii [7224]
- Sonerii,clopotei,alarme-sirene . [345]
- Csomagológépek [6]
- Csőrendszerek és kiegészítőik [3864]
- Doze - cutii de jonctiune . [2769]
- Prize . [3879]
- Stechere /fise . [1541]
- Incarcatoare/statii de incarcare mașina electrica . [540]
- Mijloace de transport electrice [3]
- Baterii si acumulatoare [659]
- Tablouri , dulapuri, blocuri de distributie [6632]
- Balast . [160]
- Coloana de energie/distribuitor birou si accesorii . [596]
- Module de interfata cu reteaua, Profibus, accesorii [908]
- Ferule, Pini pentru cablu [623]
- Senzori si alarme [3824]
- Inscriptii [816]
- Dulapuri , tablouri metalice si accesorii [21442]
- Sursa de lumina/becuri/tuburi neon . [516]
- Tub luminos [167]
- Stabilizatoare de tensiune . [16]
- Soclu-dulie . [131]
- Carcase dulapuri si spatii pentru masurare consum [2587]
- Aparate-contoare masurare consum [247]
- Solutii pentru lipit [185]
- Convertor de frecventa si startere [4520]
- Bormasina, masini de gaurit,de filetat [2779]
- Solutii pentru incalzire-racire [2459]
- Cabluri si covoare pentru incalzire [817]
- Tuburi flexibile si accesorii [571]
- Tencuieli . [2]
- Startere . [13]
- Hajtástechnika, mozgásvezérlés, robotika [4564]
- Distribuitoare si prelungitoare retea [1481]
- Solutii audio [205]
- Aparate pentru uz casnic [630]
- Invertoare - convertoare de tensiune . [15]
- Comutatoare industriale [34056]
- Ipari PC-k, szoftverek [854]
- Iratmegsemmisítők [80]
- Irodai bútorok [69]
- Lampi indicatoare [3229]
- Ghidaj pentru cablu . [8]
- Cabluri-conductori electrice . [6445]
- Tavi de cablu si accesorii [9043]
- Decoratii de Craciun [3060]
- Accesorii de gradina [235]
- Lanterne, lampi de mana [602]
- Sigurante si accesorii [14657]
- Condensatoare [1211]
- Intrerupatoare uz casnic [21048]
- Corpuri de iluminat [11896]
- Tub neon/flourescent cu led . [489]
- Becuri Led . [4548]
- Perdele cu LED , plase de lumina cu LED [281]
- Corpuri de iluminat cu led [17497]
- Module LED [62]
- Panouri LED si accesorii [2408]
- Profile LED [1089]
- Banda LED [1002]
- Controlor LED [179]
- Accesorii bransament aerian [97]
- Piscine si accesorii [258]
- Echipamente de masurare [1810]
- Senzori de miscare [536]
- Ecipamente protectia muncii [3128]
- Comutatoare de putere pentru trafo / generator /protecție instalare si accesorii [627]
- Panouri solare si accesorii [502]
- Cleme de distributie [79]
- Push buton [11393]
- Casă inteligentă / Smart Home [2187]
- Stalpuri si accesorii [42]
- Dulap Rack, Cofrete, dulapuri pentru retea, accesorii [2167]
- Releuri [5151]
- Sine de cupru [23]
- Solutii pentru fixare,prindere [2330]
- Papuci, terminale [1689]
- Terminale și conectori de cablu [2993]
- Sport és szabadidő [56]
- Scule [10844]
- Banda adeziva [542]
- Surse neintreruptibila, UPS-uri [721]
- Accesorii telefoane [205]
- Termostate [533]
- Manson prelungire cablu [408]
- Glande ,ghidaj pentru cablu [1365]
- Accesorii TV-Audio [274]
- Transformatoare / Surse de alimentare [1758]
- Protectie la supratensiuni [1458]
- HIDRANTI SUPRATERANI SI SUBTERAN [75]
- Tehnici taiere, slefuire [983]
- Tevi de protectie si accesorii [1353]
- Produse chimice [329]
- Ventilatoare si accesorii [827]
- Cabluri si conductori electrice . [5205]
- Marcaje cabluri electrice [1101]
- Produse, elemente de legat cablu, sarma si accesorii [940]
- Paratrasnete, Accesorii paratrasnete [2143]
- Vonalkódtechnika [20485]
- Tuburi termocontractabile și capace [1278]
- In curs ce incarcare pe site [7550]
- Produse nou incarcate pe site [44453]
Produse de top
Ultimele vizualizate
Recomandari de produse
Partenerii nostri
Detalii produs
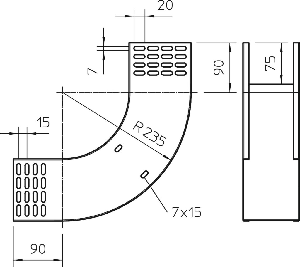
OBO 7007327 RBV 150 S FT 90°-Os Sarokelem emelkedő 110x500mm merítetten tűzihorganyzott acél
A kép illusztráció!
OBO 7007327 általános leírása:
A fém kábeltálcák és a hozzájuk tartozó kiegészítők a modern villamoshálózatok és kábelezési rendszerek alapvető elemei. Feladatuk a kábelek biztonságos, rendezett és hozzáférhető vezetésének biztosítása, miközben védelmet nyújtanak a mechanikai sérülések, a tűz és az elektromágneses zavarok ellen.
Fém Kábeltálcák Fajtái és Jellemzői
A fém kábeltálcák számos kivitelben elérhetők, mindegyik típusnak megvan a maga előnye és specifikus felhasználási területe. Anyagukat tekintve általában horganyzott acélból, rozsdamentes acélból vagy alumíniumból készülnek, a környezeti igényeknek megfelelően. A felületkezelés (pl. szalaghorganyzás, tűzihorganyzás, porfestés) biztosítja a korrózióállóságot és az esztétikus megjelenést.
1. Perforált Kábeltálcák (Lyukacsos Kábeltálcák)
* Leírás: Ezek a tálcák lapos fenekűek, számos lyukkal ellátva (perforációkkal). A lyukak elsősorban a szellőzést, a vízelvezetést és a kábelek rögzítését szolgálják kábelkötegelőkkel vagy bilincsekkel.
* Jellemzők:
* Szellőzés: A perforációk jó szellőzést biztosítanak a kábeleknek, csökkentve a felmelegedést, ami különösen nagy áramterhelésű kábelek esetén fontos.
* Tisztaság: Kevésbé gyűlik meg bennük a por és a szennyeződés, mint a teljesen zárt rendszerekben.
* Rögzítés: Könnyű rögzíteni a kábeleket a lyukakon keresztül.
* Terhelhetőség: Jó terhelhetőségi jellemzőkkel bírnak.
* Felhasználási területek: Ipari létesítmények, középületek, irodaházak, adatközpontok, gyárak – ahol közepes és nagy mennyiségű kábel vezetésére van szükség, és fontos a szellőzés, valamint a könnyű hozzáférhetőség.
2. Létrás Kábeltálcák (Kábellétrák)
* Leírás: Két oldalsó szárral és közöttük elhelyezett keresztlécekkel (fokokkal) rendelkeznek, létra alakúak.
* Jellemzők:
* Nagy terhelhetőség: Kifejezetten nagy átmérőjű, nehéz kábelek (pl. energiaátviteli kábelek) vezetésére alkalmasak.
* Maximális szellőzés: A nyitott szerkezetnek köszönhetően kiválóan szellőznek, megakadályozva a kábelek túlmelegedését.
* Hosszú fesztávok: Nagyobb fesztávokat is át tudnak hidalni, kevesebb tartókonzolt igényelnek.
* Könnyű kábelbevezetés/kivezetés: A kábelek bárhol bevezethetők vagy kivezethetők a létra fokai között.
* Felhasználási területek: Erőművek, nagy ipari létesítmények, alagutak, nagyméretű szerverparkok, kültéri kábelezések – ahol rendkívül nagy mennyiségű és/vagy nagy átmérőjű kábel vezetésére van szükség.
3. Rácsos Kábeltálcák (Dróthálós Kábeltálcák)
* Leírás: Ponthegesztett acélhuzalokból álló, rácsos szerkezetű tálcák. Különösen rugalmasak és könnyen vághatók, alakíthatók a helyszínen.
* Jellemzők:
* Rugalmasság és alakíthatóság: A helyszínen könnyen vághatók, hajlíthatók, alakíthatók az adott útvonalhoz.
* Könnyű súly: Kisebb önsúlyuk van a többi típushoz képest.
* Gyors telepítés: Egyszerű és gyors a szerelésük.
* Jó szellőzés: A rácsos szerkezet kiváló légáramlást biztosít.
* Átláthatóság: A kábelek jól láthatóak és hozzáférhetők a karbantartás során.
* Felhasználási területek: Adatközpontok (különösen álpadló alatt), irodák álmennyezete, laboratóriumok, kereskedelmi épületek, könnyűipari létesítmények – ahol gyakori lehet a kábelezés módosítása, és fontos a flexibilitás, valamint az átláthatóság.
4. Zárt Fém Kábelcsatornák
* Leírás: Teljesen zárt profilok, amelyek teljes védelmet nyújtanak a benne futó kábeleknek a külső behatásoktól. Fedéllel rendelkeznek, ami rögzíthető.
* Jellemzők:
* Maximális védelem: Kiváló védelmet biztosítanak a por, nedvesség, mechanikai sérülések és rágcsálók ellen.
* Esztétika: Tisztább, rendezettebb megjelenést biztosítanak, elrejtve a kábeleket.
* Elektromágneses árnyékolás: Bizonyos típusok (árnyékolt kivitel) védelmet nyújtanak az elektromágneses interferencia ellen.
* Felhasználási területek: Középületek látható kábelezése, tiszta terek (pl. gyógyszergyárak), élelmiszeripar, ahol fokozott higiéniai követelmények vannak, vagy ahol esztétikai okokból fontos a kábelek elrejtése.
Kábeltálca Rendszerek Kiegészítői
A kábeltálcák önmagukban nem alkotnak teljes rendszert; számos kiegészítőre van szükség a teljes kiépítéshez és funkcionalitáshoz.
* Összekötő elemek / Toldók:
* Hosszanti toldók: Két egyenes kábeltálca szakasz összekötésére szolgálnak. Lehetnek csavaros vagy gyorskapcsolású kivitelűek.
* Csuklós toldók: Lehetővé teszik a kábeltálca síkjának vagy irányának megváltoztatását, azaz felfelé vagy lefelé haladó szakaszok kialakítását.
* Saroktoldók: 90°-os vagy más szögű kanyarok kialakítására szolgálnak.
* Idomok (Kanyarok, Elágazások):
* Vízszintes kanyarok (90°, 45°): Irányváltásra szolgálnak vízszintes síkban.
* Függőleges kanyarok (belső és külső): Fel- és lefelé vezető szakaszok kialakítására.
* T-elágazók, Keresztelágazók: A kábelútvonalak elágaztatására, több irányba történő vezetésére.
* Rögzítő és Tartóelemek:
* Fali konzolok: A kábeltálcák falra rögzítésére szolgálnak, különböző kinyúlással és terhelhetőséggel.
* Mennyezeti függesztők (menetes száras, C-profilos): A mennyezetről való függesztésre, nagy teherbírásúak.
* Padlóállványok: Padlóra történő rögzítéshez, például ipari környezetben.
* Bilincsek, rögzítőkapcsok: A kábeltálca rögzítésére a tartóelemekhez.
* Fedelek és Válaszfalak:
* Fedelek: Védelmet nyújtanak a por, nedvesség, mechanikai sérülések ellen, és esztétikusan elrejtik a kábeleket.
* Válaszfalak: A tálcán belül szeparálják a különböző típusú kábeleket (pl. erősáramú és adatkábelek), megelőzve az elektromágneses interferenciát.
* Kábelrögzítő elemek:
* Kábelkötegelők: Műanyag vagy fém kábelkötegelők a kábelek tálcán belüli rögzítésére.
* Kábelbilincsek: Erősebb rögzítést biztosító fémelemek.
* Földelési kiegészítők:
* Földelő hidak/kapcsok: A kábeltálca szakaszok közötti potenciálkiegyenlítés és földelés biztosítására szolgálnak, ami kulcsfontosságú az érintésvédelem és az elektromágneses kompatibilitás szempontjából.
A fém kábeltálcák széles körben alkalmazhatók, ahol professzionális, biztonságos és rendezett kábelvezetésre van szükség:
* Ipari létesítmények: Gyárcsarnokok, raktárak, erőművek, gépek kábelezése.
* Kereskedelmi épületek: Irodaházak, bevásárlóközpontok, szállodák, kórházak, iskolák.
* Infrastrukturális projektek: Alagutak, hidak, vasútállomások, közlekedési rendszerek.
* Adatközpontok és szerverparkok: A nagyszámú adatkábel rendezett és hűtött vezetésére.
* Megújuló energiaforrások: Napelemparkok, szélerőművek kábelezése.
* Kültéri alkalmazások: Különleges felületkezelésű (pl. tűzihorganyzott) tálcák ellenállnak az időjárás viszontagságainak.
A megfelelő kábeltálca rendszer kiválasztása a kábelek mennyiségétől, típusától, a környezeti feltételektől (por, nedvesség, hőmérséklet, vegyi anyagok), a terhelhetőségi igényektől és a telepítési helytől függ. A precíz tervezés és a szabványoknak való megfelelés elengedhetetlen a biztonságos és hosszú távon megbízható működéshez.
További információért keressen minket bizalommal: info@gazdafielectronic.hu
-
90°-os függőleges sarokidom, „emelkedő” kivitel: 110 mm oldalmagasságú kábeltálcához. A függőleges sarokidomot a kábeltálca végéhez kell illeszteni és összecsavarozni. A szereléshez szükséges csavarokat külön kell megrendelni.
90°-os függőleges sarokidom, „emelkedő” kivitel: 110 mm oldalmagasságú kábeltálcához.
Letölthető tartalom - 1
Letölthető tartalom - 2
-
1 061,59 RON
-
Gyártó OBOAnyag acélFelület merítetten tűzihorganyzottGyártói cikkszám 7007327Méret 110x500mmTípus RBV 150 S FTVonalkód / EAN-kód 4012195863625Letölthető tartalmak Szín - EF000007 -Modell - EF000010 Csatlakozó nélküli (Without connector)RAL szám - EF000116 -Felületvédelem - EF000139 Tűzihorganyzott (Hot-dip galvanised)Anyagvastagság - EF000386 1Építési típus - EF000767 -Anyagminőség - EF001257 -Működési hőmérséklet - EF001742 - - -Anyag - EF002169 Acél (Steel)Alsó perforáció - EF004545 NemKörfolyamat integritásához megfelelő - EF007806 NemFedéllel - EF007965 -Oldalsó perforáció - EF001122 NemBelső sugár - EF004793 -Kábeltartó szélességhez alkalmas - EF004820 500Kábelcsatorna magassághoz alkalmas - EF004822 110Szög - EF001218 -Irányváltás - EF005210 Függőlegesen emelkedő (Vertically rising)NATO rögzítőlyukak - EF006059 NemRozsdamentes acél, saválló - EF006388 NemHajlítási modell - EF020423 -Gyártó OBONumar articol 7007327





















