Produsele
- Oferte evidentiate. [1535]
- Acéltermékek [1890]
- Adaptoare . [138]
- Comutatoare de curent-sigurante (Releuri Fi) . [5221]
- Interfoane audio/video . [415]
- Accesorii auto . [581]
- Sigurante + suport / soclu sigurante . [7577]
- Coliere de prindere, fixare [2013]
- Sisteme de securitate . [72]
- Mufe . [337]
- Pat cablu si accesorii [7224]
- Sonerii,clopotei,alarme-sirene . [345]
- Csomagológépek [6]
- Csőrendszerek és kiegészítőik [3864]
- Doze - cutii de jonctiune . [2769]
- Prize . [3879]
- Stechere /fise . [1541]
- Incarcatoare/statii de incarcare mașina electrica . [540]
- Mijloace de transport electrice [3]
- Baterii si acumulatoare [659]
- Tablouri , dulapuri, blocuri de distributie [6632]
- Tablou distributie montabil pe perete/aplicat . [905]
- Tablou distributie montabil in perete/incastrat . [582]
- Tablou distributie industriala [587]
- Tablou de distributie tip CSP [86]
- Accesorii panou distributie [3717]
- Balast . [160]
- Coloana de energie/distribuitor birou si accesorii . [596]
- Module de interfata cu reteaua, Profibus, accesorii [908]
- Ferule, Pini pentru cablu [623]
- Senzori si alarme [3824]
- Inscriptii [816]
- Dulapuri , tablouri metalice si accesorii [21442]
- Sursa de lumina/becuri/tuburi neon . [516]
- Tub luminos [167]
- Stabilizatoare de tensiune . [16]
- Soclu-dulie . [131]
- Carcase dulapuri si spatii pentru masurare consum [2587]
- Aparate-contoare masurare consum [247]
- Solutii pentru lipit [185]
- Convertor de frecventa si startere [4520]
- Bormasina, masini de gaurit,de filetat [2779]
- Solutii pentru incalzire-racire [2459]
- Cabluri si covoare pentru incalzire [817]
- Tuburi flexibile si accesorii [571]
- Tencuieli . [2]
- Startere . [13]
- Hajtástechnika, mozgásvezérlés, robotika [4564]
- Distribuitoare si prelungitoare retea [1481]
- Solutii audio [205]
- Aparate pentru uz casnic [630]
- Invertoare - convertoare de tensiune . [15]
- Comutatoare industriale [34056]
- Ipari PC-k, szoftverek [854]
- Iratmegsemmisítők [80]
- Irodai bútorok [69]
- Lampi indicatoare [3229]
- Ghidaj pentru cablu . [8]
- Cabluri-conductori electrice . [6445]
- Tavi de cablu si accesorii [9043]
- Decoratii de Craciun [3060]
- Accesorii de gradina [235]
- Lanterne, lampi de mana [602]
- Sigurante si accesorii [14657]
- Condensatoare [1211]
- Intrerupatoare uz casnic [21048]
- Corpuri de iluminat [11896]
- Tub neon/flourescent cu led . [489]
- Becuri Led . [4548]
- Perdele cu LED , plase de lumina cu LED [281]
- Corpuri de iluminat cu led [17497]
- Module LED [62]
- Panouri LED si accesorii [2408]
- Profile LED [1089]
- Banda LED [1002]
- Controlor LED [179]
- Accesorii bransament aerian [97]
- Piscine si accesorii [258]
- Echipamente de masurare [1810]
- Senzori de miscare [536]
- Ecipamente protectia muncii [3128]
- Comutatoare de putere pentru trafo / generator /protecție instalare si accesorii [627]
- Panouri solare si accesorii [502]
- Cleme de distributie [79]
- Push buton [11393]
- Casă inteligentă / Smart Home [2187]
- Stalpuri si accesorii [42]
- Dulap Rack, Cofrete, dulapuri pentru retea, accesorii [2167]
- Releuri [5151]
- Sine de cupru [23]
- Solutii pentru fixare,prindere [2330]
- Papuci, terminale [1689]
- Terminale și conectori de cablu [2993]
- Sport és szabadidő [56]
- Scule [10844]
- Banda adeziva [542]
- Surse neintreruptibila, UPS-uri [721]
- Accesorii telefoane [205]
- Termostate [533]
- Manson prelungire cablu [408]
- Glande ,ghidaj pentru cablu [1365]
- Accesorii TV-Audio [274]
- Transformatoare / Surse de alimentare [1758]
- Protectie la supratensiuni [1458]
- HIDRANTI SUPRATERANI SI SUBTERAN [75]
- Tehnici taiere, slefuire [983]
- Tevi de protectie si accesorii [1353]
- Produse chimice [329]
- Ventilatoare si accesorii [827]
- Cabluri si conductori electrice . [5205]
- Marcaje cabluri electrice [1101]
- Produse, elemente de legat cablu, sarma si accesorii [940]
- Paratrasnete, Accesorii paratrasnete [2143]
- Vonalkódtechnika [20485]
- Tuburi termocontractabile și capace [1278]
- In curs ce incarcare pe site [7550]
- Produse nou incarcate pe site [44453]
Produse de top
Ultimele vizualizate
Recomandari de produse
Partenerii nostri
Detalii produs
EATON 002209 CI IP65 műanyag elosztó üres tok átlátszó fedéllel (NA)
Eaton 002209 általános leírása:
A villamossági elosztószekrény egy olyan fém vagy műanyag doboz, amelyben az épület vagy létesítmény elektromos rendszerének főbb komponensei találhatók. Ezek a komponensek lehetnek például:
* Főkapcsoló: Az egész épület vagy egy adott terület áramellátását megszakító kapcsoló.
* Biztosíték vagy kismegszakító: Az egyes áramköröket védi az túlterhelés és a rövidzárlat ellen.
* Földelő buszbarát: Az elektromos rendszer biztonságát szolgálja a földelés biztosításával.
* Mérőóra: Az energiafogyasztást méri.
* Egyéb kiegészítők: Pl. feszültségszabályozó, fázisváltó, stb.
Az elosztószekrények típusai
Az elosztószekrények különböző méretben, kialakításban és anyagból készülnek. A leggyakoribb típusok:
* Falra szerelhető: Kisebb épületekben, lakásokban használják.
* Talpállványos: Nagyobb teljesítményű rendszerekhez, ipari létesítményekben.
* Beépített: A falba vagy a födémbe süllyesztett szekrények.
* Moduláris: Az egyes elemek cserélhetők, bővíthetők.
Az elosztószekrények feladatai
* Az elektromos energia elosztása: A beérkező elektromos energiát elosztja az épület vagy létesítmény különböző pontjaira.
* Védelem: Védi az elektromos rendszert a túlterhelés, a rövidzárlat és más meghibásodások ellen.
* Biztonság: Biztosítja az elektromos rendszer biztonságos működését.
* Mérés: Mérni lehet vele az energiafogyasztást.
Az elosztószekrények jellemzői
* Anyag: Általában fém (pl. lemezacél) vagy műanyag.
* Védettség: Az IP-besorolás alapján határozzák meg, hogy milyen környezeti hatásokkal szemben védett (por, víz).
* Méret: A beépített elemek számától és típusától függ.
* Szigetelés: A belső alkatrészek szigetelése biztosítja a biztonságos működést.
Az elosztószekrények felhasználási területei
Az elosztószekrényeket szinte minden olyan helyen megtalálhatjuk, ahol elektromos energia van jelen:
* Lakások: Minden lakásban van egy vagy több elosztószekrény.
* Irodaházak: Nagyobb épületekben több elosztószekrény is lehet.
* Ipari létesítmények: Az ipari üzemekben nagy teljesítményű elosztószekrények találhatóak.
* Középületek: Iskolák, kórházak, stb.
Az elosztószekrények fontossága
Az elosztószekrény az elektromos rendszer központja, ezért rendkívül fontos a megfelelő kiválasztása, telepítése és karbantartása. Egy jól megtervezett és kivitelezett elosztószekrény biztosítja az elektromos rendszer biztonságos és megbízható működését.
Fontos megjegyezni: Az elosztószekrényekkel kapcsolatos munkát mindig szakemberre kell bízni! Az önálló barkácsolás veszélyes lehet, és károsíthatja az elektromos rendszert.
További információért keressen minket bizalommal: info@gazdafielectronic.hu
-
302,23 RON
-
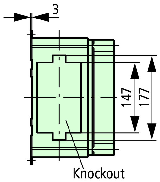
Gyártó EATONGyártói cikkszám 002209Méret 250x187.5x150mmSzín szürkeTípus CI23X-125-NAVonalkód / EAN-kód 4015080022091Rögzítési módszer - EF000003 Felületre szerelhető (Surface mounted)Védelmi osztály az IEC 61140 szerint - EF000004 IISzín - EF000007 Szürke (Grey)Szélesség - EF000008 187.5Magasság - EF000040 250Mélység - EF000049 150RAL szám - EF000116 7035Szerelőlemez nélkül - EF000118 NemFelületvédelem - EF000139 Egyéb (Other)Beépített mélység - EF000218 125Sorosztályok száma - EF000266 0Fedőanyag típusa - EF000339 Opcionális (Optional)Kábeltovábbító bejáratok száma - EF000437 0Kiterjesztés lehetséges - EF001088 NemBelső mélység - EF001131 125Ház anyaga - EF001596 Műanyag (Plastic)Áramkör integritás - EF001613 Egyéb (Other)Szélesség moduláris távolságok számában - EF002950 9Külső használatra alkalmas - EF003532 IgenÜtésállóság - EF004293 IK10Modulok száma - EF004427 1Ajtó típusa - EF004464 Nincs (None)Védettségi fokozat (IP) - EF005474 IP65Átlátszó burkolat/ajtó - EF006244 IgenZárral - EF006306 NemVillámvédelmi célra alkalmas - EF007800 IgenNévleges áram (In) - EF008873 1600Szekrény anyaglemez vastagság - EF009170 9Anyaglemez vastagság ajtó/fedél - EF009171 6Fedőmodell - EF009212 Zárt (Closed)Flangelemezek nyílások száma - EF009554 0Védelem foka (NEMA) - EF011959 4XTúlnyomás-mentesítő fedelekkel - EF015940 IgenGyártó EatonNumar articol EATON002209


























