Produsele
- Oferte evidentiate. [1535]
- Acéltermékek [1890]
- Adaptoare . [138]
- Comutatoare de curent-sigurante (Releuri Fi) . [5221]
- Interfoane audio/video . [415]
- Accesorii auto . [581]
- Sigurante + suport / soclu sigurante . [7577]
- Coliere de prindere, fixare [2013]
- Sisteme de securitate . [72]
- Mufe . [337]
- Pat cablu si accesorii [7224]
- Sonerii,clopotei,alarme-sirene . [345]
- Csomagológépek [6]
- Csőrendszerek és kiegészítőik [3864]
- Doze - cutii de jonctiune . [2769]
- Prize . [3879]
- Stechere /fise . [1541]
- Incarcatoare/statii de incarcare mașina electrica . [540]
- Mijloace de transport electrice [3]
- Baterii si acumulatoare [659]
- Tablouri , dulapuri, blocuri de distributie [6632]
- Balast . [160]
- Coloana de energie/distribuitor birou si accesorii . [596]
- Module de interfata cu reteaua, Profibus, accesorii [908]
- Ferule, Pini pentru cablu [623]
- Senzori si alarme [3824]
- Inscriptii [816]
- Dulapuri , tablouri metalice si accesorii [21442]
- Sursa de lumina/becuri/tuburi neon . [516]
- Tub luminos [167]
- Stabilizatoare de tensiune . [16]
- Soclu-dulie . [131]
- Carcase dulapuri si spatii pentru masurare consum [2587]
- Aparate-contoare masurare consum [247]
- Solutii pentru lipit [185]
- Convertor de frecventa si startere [4520]
- Bormasina, masini de gaurit,de filetat [2779]
- Solutii pentru incalzire-racire [2459]
- Cabluri si covoare pentru incalzire [817]
- Tuburi flexibile si accesorii [571]
- Tencuieli . [2]
- Startere . [13]
- Hajtástechnika, mozgásvezérlés, robotika [4564]
- Distribuitoare si prelungitoare retea [1481]
- Solutii audio [205]
- Aparate pentru uz casnic [630]
- Invertoare - convertoare de tensiune . [15]
- Comutatoare industriale [34056]
- Intrerupator cu senzor de lumina [51]
- Comutator incorporat industrial [504]
- Intrerupatoare basculant [62]
- Unitate de comanda macara si acesorii [315]
- Comutatoare-intrerupatoare principale [2571]
- Intrerupator prin tragere si accesorii [184]
- Prize programabile-timere [131]
- Intrerupatoare cu brat si accesorii [53]
- Sigurante automate si accesorii [8669]
- Contactoare si accesorii [3522]
- Comutator cu cheie [490]
- Comutator de picior [104]
- Intrerupator cu blocare [163]
- Întreruptoare de aer si accesorii [667]
- Comutatoare de izolare [737]
- Comutator cu magnet si accesorii [2624]
- Micro intrerupatoare [41]
- Intrerupator de comanda pentru motor si accesorii [2251]
- Comutator modular [248]
- Declansator curent de lucru [449]
- Comutator de presiune [419]
- Contactoare auxiliare [829]
- Intrerupatoare de sarcina si accesorii [425]
- Comutatoare de sarcina [2262]
- Intrerupatoare cu carcasa [459]
- Intrerupator plutitor [17]
- Intrerupator de limita [1999]
- Intrerupator cu oprire de urgenta [267]
- Carcasa pentru intrerupator [225]
- Brate rotative [490]
- Inscriptii [49]
- Ipari PC-k, szoftverek [854]
- Iratmegsemmisítők [80]
- Irodai bútorok [69]
- Lampi indicatoare [3229]
- Ghidaj pentru cablu . [8]
- Cabluri-conductori electrice . [6445]
- Tavi de cablu si accesorii [9043]
- Decoratii de Craciun [3060]
- Accesorii de gradina [235]
- Lanterne, lampi de mana [602]
- Sigurante si accesorii [14657]
- Condensatoare [1211]
- Intrerupatoare uz casnic [21048]
- Corpuri de iluminat [11896]
- Tub neon/flourescent cu led . [489]
- Becuri Led . [4548]
- Perdele cu LED , plase de lumina cu LED [281]
- Corpuri de iluminat cu led [17497]
- Module LED [62]
- Panouri LED si accesorii [2408]
- Profile LED [1089]
- Banda LED [1002]
- Controlor LED [179]
- Accesorii bransament aerian [97]
- Piscine si accesorii [258]
- Echipamente de masurare [1810]
- Senzori de miscare [536]
- Ecipamente protectia muncii [3128]
- Comutatoare de putere pentru trafo / generator /protecție instalare si accesorii [627]
- Panouri solare si accesorii [502]
- Cleme de distributie [79]
- Push buton [11393]
- Casă inteligentă / Smart Home [2187]
- Stalpuri si accesorii [42]
- Dulap Rack, Cofrete, dulapuri pentru retea, accesorii [2167]
- Releuri [5151]
- Sine de cupru [23]
- Solutii pentru fixare,prindere [2330]
- Papuci, terminale [1689]
- Terminale și conectori de cablu [2993]
- Sport és szabadidő [56]
- Scule [10844]
- Banda adeziva [542]
- Surse neintreruptibila, UPS-uri [721]
- Accesorii telefoane [205]
- Termostate [533]
- Manson prelungire cablu [408]
- Glande ,ghidaj pentru cablu [1365]
- Accesorii TV-Audio [274]
- Transformatoare / Surse de alimentare [1758]
- Protectie la supratensiuni [1458]
- HIDRANTI SUPRATERANI SI SUBTERAN [75]
- Tehnici taiere, slefuire [983]
- Tevi de protectie si accesorii [1353]
- Produse chimice [329]
- Ventilatoare si accesorii [827]
- Cabluri si conductori electrice . [5205]
- Marcaje cabluri electrice [1101]
- Produse, elemente de legat cablu, sarma si accesorii [940]
- Paratrasnete, Accesorii paratrasnete [2143]
- Vonalkódtechnika [20485]
- Tuburi termocontractabile și capace [1278]
- In curs ce incarcare pe site [7550]
- Produse nou incarcate pe site [44453]
Produse de top
Ultimele vizualizate
Recomandari de produse
Partenerii nostri
Detalii produs
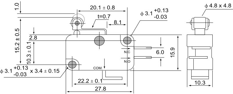
TRACON KW3-41 Helyzetkapcsoló, mikro, karos-görgős 1×CO 10A/230VAC, 0,3A/250VDC, 15mm, 6,3x0,8 mm, IP00
TRACON KW3-41 általános leírása:
Az ipari kapcsolók nélkülözhetetlen elemei a modern gyártási folyamatoknak és automatizálási rendszereknek. Ezek a mechanikus vagy elektronikus eszközök feladata, hogy vezéreljék az elektromos áramot különböző berendezésekben és gépekben.
Az ipari kapcsolók széles választékban kaphatók, és számos különböző típusuk létezik. A leggyakoribb típusok közé tartoznak:
* Motorkapcsolók: Speciálisan motorok indítására és leállítására tervezett kapcsolók.
* Teljesítménykapcsolók: Nagy teljesítményű áramkörök kapcsolására szolgálnak.
* Biztonsági kapcsolók: Biztonsági funkciókat látnak el, például vészleállítást vagy ajtózárást vezérelnek.
* Hőmérséklet-kapcsolók: Hőmérsékletváltozás hatására kapcsolnak.
* Szintkapcsolók: Folyadékszint vagy szilárd anyagok szintjének érzékelésére és kapcsolásra szolgálnak.
* Nyomáskapcsolók: Nyomásváltozás hatására kapcsolnak.
Az ipari kapcsolók jellemzői
* Kapcsolási teljesítmény: Az a maximális áram, amelyet a kapcsoló képes megszakítani.
* Kapcsolási feszültség: A maximális feszültség, amelyet a kapcsoló képes kezelni.
* Élettartam: A kapcsoló működési ciklusainak száma meghibásodásig.
* Védettség: A kapcsoló védettsége a környezeti hatásokkal szemben (por, nedvesség, ütések).
* Kapcsolat típusa: Normál nyitott vagy normál zárt kapcsolat.
* Működtetési mód: Kézi, automatikus vagy távvezérlésű.
Az ipari kapcsolók felhasználási területei
Az ipari kapcsolók széles körben alkalmazhatók különböző iparágakban, például:
* Gyártás: Gépek, berendezések vezérlése, automatizálás.
* Energetika: Áram elosztása, védelem.
* Épületgépészet: Fűtés, szellőzés, légkondicionálás.
* Automatizálás: Robotika, PLC-k.
Egyéb információk
* Anyagok: Az ipari kapcsolók általában fémötvözetekből, műanyagokból és kerámiákból készülnek.
* Szerelés: Az ipari kapcsolók különböző szerelési módokkal rendelkezhetnek (panelre szerelhető, DIN sínre szerelhető stb.).
* Biztonság: Az ipari kapcsolók kiválasztásakor kiemelt figyelmet kell fordítani a biztonságra. A megfelelő védettségű és minősített kapcsolókat kell választani.
* Karbantartás: Az ipari kapcsolókat rendszeresen ellenőrizni és karbantartani kell ajánlott 8-10 évente cserélni.
További információért keressen minket bizalommal: info@gazdafielectronic.hu
-
18,23 RON 5,79 RON 5,79 RON
-
5,79 RON 5,79 RON
-
Gyártó TRACONVáltóérintkezők száma 1Környezeti hőmérséklet üzem közben -25 -80 °CKapcsolási funkció csúszó érintkezőIgazoló elem típusa görgős emelőEnergiaosztály 2023- -Házforma/háztípus téglatestNévleges üzemi áram AC-15, 230 V esetén 2 ASzenzor szélessége 10,3 mmSzenzor magassága 15,9 mmSzenzor hossza 27,8 mmNévleges üzemi áram Ie DC-13, 125 V esetén 0,3 AGyártói cikkszám KW3-41Ház anyaga műanyagIP Védettség IP 0Elektromos csatlakozó típusa csúszósarusSúly 0.01014Vonalkód / EAN-kód 5997374132053Letölthető tartalom - Katalógus oldal Letölthető tartalom - CE - Nyilatkozat Nyitóérintkezők száma 1Záróérintkezők száma 1Névleges üzemi áram DC-13, 230 V esetén 0,3 AGyártó TRACONNumar articol KW3-41





























