Produsele
- Oferte evidentiate. [1535]
- Acéltermékek [1890]
- Adaptoare . [138]
- Comutatoare de curent-sigurante (Releuri Fi) . [5221]
- Interfoane audio/video . [415]
- Accesorii auto . [581]
- Sigurante + suport / soclu sigurante . [7577]
- Coliere de prindere, fixare [2013]
- Sisteme de securitate . [72]
- Mufe . [337]
- Pat cablu si accesorii [7224]
- Sonerii,clopotei,alarme-sirene . [344]
- Csomagológépek [6]
- Csőrendszerek és kiegészítőik [3864]
- Doze - cutii de jonctiune . [2769]
- Prize . [3879]
- Stechere /fise . [1541]
- Incarcatoare/statii de incarcare mașina electrica . [540]
- Mijloace de transport electrice [3]
- Baterii si acumulatoare [659]
- Tablouri , dulapuri, blocuri de distributie [6632]
- Balast . [160]
- Coloana de energie/distribuitor birou si accesorii . [596]
- Module de interfata cu reteaua, Profibus, accesorii [908]
- Ferule, Pini pentru cablu [623]
- Senzori si alarme [3824]
- Inscriptii [816]
- Dulapuri , tablouri metalice si accesorii [21442]
- Sursa de lumina/becuri/tuburi neon . [516]
- Tub luminos [167]
- Stabilizatoare de tensiune . [16]
- Soclu-dulie . [131]
- Carcase dulapuri si spatii pentru masurare consum [2587]
- Aparate-contoare masurare consum [247]
- Solutii pentru lipit [185]
- Convertor de frecventa si startere [4520]
- Bormasina, masini de gaurit,de filetat [2779]
- Solutii pentru incalzire-racire [2459]
- Cabluri si covoare pentru incalzire [817]
- Tuburi flexibile si accesorii [571]
- Tencuieli . [2]
- Startere . [13]
- Hajtástechnika, mozgásvezérlés, robotika [4564]
- Distribuitoare si prelungitoare retea [1481]
- Solutii audio [205]
- Aparate pentru uz casnic [630]
- Invertoare - convertoare de tensiune . [15]
- Comutatoare industriale [34056]
- Ipari PC-k, szoftverek [854]
- Iratmegsemmisítők [80]
- Irodai bútorok [69]
- Lampi indicatoare [3229]
- Ghidaj pentru cablu . [8]
- Cabluri-conductori electrice . [6445]
- Tavi de cablu si accesorii [9043]
- Decoratii de Craciun [3060]
- Accesorii de gradina [235]
- Lanterne, lampi de mana [602]
- Sigurante si accesorii [14657]
- Condensatoare [1211]
- Intrerupatoare uz casnic [21048]
- Corpuri de iluminat [11896]
- Tub neon/flourescent cu led . [489]
- Becuri Led . [4548]
- Perdele cu LED , plase de lumina cu LED [281]
- Corpuri de iluminat cu led [17497]
- Module LED [62]
- Panouri LED si accesorii [2408]
- Profile LED [1089]
- Banda LED [1002]
- Controlor LED [179]
- Accesorii bransament aerian [97]
- Piscine si accesorii [258]
- Echipamente de masurare [1810]
- Senzori de miscare [536]
- Ecipamente protectia muncii [3128]
- Comutatoare de putere pentru trafo / generator /protecție instalare si accesorii [627]
- Panouri solare si accesorii [502]
- Cleme de distributie [79]
- Push buton [11393]
- Casă inteligentă / Smart Home [2187]
- Stalpuri si accesorii [42]
- Dulap Rack, Cofrete, dulapuri pentru retea, accesorii [2167]
- Releuri [5151]
- Relee de cuplare [472]
- Relee de monitorizare [315]
- Releu de timp [315]
- Releu de impuls [204]
- Relee de instalare [115]
- Interfész relék [139]
- Releu industrial [406]
- Mini releuri [416]
- Mini releuri de putere [359]
- Relleuri de mare putere [82]
- Relee inteligente , smart [42]
- Releuri print [559]
- Releuri cu corp solid [202]
- Univerzális relék [49]
- Releuri de protectie [472]
- Socluri pentru releu [272]
- Accesorii releuri [320]
- Fényerőszabályzó/Dimmer [17]
- Bistabil relé [5]
- Hőmérséklet érzékelő, folyadékszint szonda [17]
- Folyadékszint kapcsolók [7]
- Vezérlő és jelzőkészülékek [18]
- Sine de cupru [23]
- Solutii pentru fixare,prindere [2330]
- Papuci, terminale [1689]
- Terminale și conectori de cablu [2993]
- Sport és szabadidő [56]
- Scule [10844]
- Banda adeziva [542]
- Surse neintreruptibila, UPS-uri [721]
- Accesorii telefoane [205]
- Termostate [532]
- Manson prelungire cablu [408]
- Glande ,ghidaj pentru cablu [1365]
- Accesorii TV-Audio [274]
- Transformatoare / Surse de alimentare [1758]
- Protectie la supratensiuni [1458]
- HIDRANTI SUPRATERANI SI SUBTERAN [75]
- Tehnici taiere, slefuire [983]
- Tevi de protectie si accesorii [1353]
- Produse chimice [329]
- Ventilatoare si accesorii [827]
- Cabluri si conductori electrice . [5205]
- Marcaje cabluri electrice [1101]
- Produse, elemente de legat cablu, sarma si accesorii [940]
- Paratrasnete, Accesorii paratrasnete [2143]
- Vonalkódtechnika [20485]
- Tuburi termocontractabile și capace [1278]
- In curs ce incarcare pe site [7550]
- Produse nou incarcate pe site [44463]
Produse de top
Ultimele vizualizate
Recomandari de produse
Partenerii nostri
Detalii produs
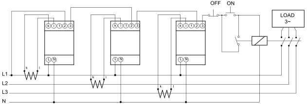
TRACON TFKV-AKD05 Védőrelé, áramcsökkenés ellen 0.5-5A/230V AC, 250V AC, 10A/24V AC/DC
TRACON TFKV-AKD05 általános leírása:
A relé egy olyan elektromechanikus vagy elektronikus eszköz, amely egy kisebb áramkörrel vezérel egy nagyobb teljesítményű áramkört. Az épületvillamosságban számos feladatot lát el, segítve a biztonságos és hatékony működést.
Hogyan működik?
A relé működése egyszerűen szemléltethető egy kapcsolóval, amelyet egy mágnes mozgat. Amikor egy kisebb áramkörben áram folyik, a mágnes behúzódik, és zárja a kapcsolót. Ezáltal a nagyobb teljesítményű áramkör is záródik, és áram folyhat át rajta.
Milyen típusú relék léteznek?
* Elektromechanikus relék: Ezekben a relékben egy elektromágnes mozgatja a fém érintkezőket.
* Elektronikus relék (szilárdtest relék): Ezekben a relékben félvezetők végzik a kapcsolási feladatot.
* Időrelék: Az idő múlásával kapcsolnak vagy szakítanak.
* Feszültségrelék: Egy bizonyos feszültségszint elérésekor kapcsolnak vagy szakítanak.
* Áramrelék: Egy bizonyos áramerősség elérésekor kapcsolnak vagy szakítanak.
Miért használjuk az épületvillamosságban?
* Biztonság: Galvanikus elválasztást biztosít, csökkentve a rövidzárlat kockázatát.
* Védelem: Túlterhelés, rövidzárlat esetén automatikusan megszakítja az áramkört.
* Vezérlés: Kisfeszültségű jellel nagy teljesítményű berendezéseket vezérelhetünk.
* Automatizálás: Automatizálhatunk számos folyamatot, pl. világításvezérlés, fűtés.
Hol használjuk?
* Világításvezérlés: Időzítés, fényérzékelés alapján kapcsolja a világítást.
* Fűtés és hűtés szabályozás: A hőmérséklet érzékelők jelei alapján szabályozza a fűtési és hűtési rendszereket.
* Biztonsági rendszerek: Riasztórendszerekben, tűzjelző rendszerekben.
* Motorvezérlés: Szivattyúk, ventilátorok vezérlésére.
Összefoglalva: A relék nélkülözhetetlen elemei az épületvillamosságnak. Segítségükkel biztonságosabb, hatékonyabb és kényelmesebb működést érhetünk el.
További információért keressen minket bizalommal: info@gazdafielectronic.hu
-
Letölthető tartalom - Katalógus oldal - TFKV-AKD05
Letölthető tartalom - Használati útmutató - TFKV-AKD05
Letölthető tartalom - CE - Nyilatkozat - TFKV-AKD05
Letölthető tartalom - CE - Nyilatkozat - TFKV-AKD05
Letölthető tartalom - Katalógus oldal - TFKV-AKD05
Letölthető tartalom - Használati útmutató - TFKV-AKD05
-
270,49 RON 395,33 RON 623,74 RON
-
Gyártó TRACONVáltóérintkezők száma 1Működtetés feszültségtípusa ACNévleges tekercsfeszültség AC (50 Hz)-nél 180 -260 V1-fázisú-ablak lehetséges Nem3-fázisú-ablak lehetséges NemMin. beállítható indításkésleltetési idő 0,5 sMax. megengedett indításkésleltetési idő 0,5 sMin. beállítható ejtéskésleltetési idő 15 sMax. megengedett ejtéskésleltetési idő 15 sEnergiaosztály 2023- -1-fázisú-túl kis áramerősség lehetséges Igen1-fázisú- túláram lehetséges Nem3-fázisú- túláram lehetséges NemÁrammérési tartomány 0,5 -5 AKülső áramátalakító IgenGyártói cikkszám TFKV-AKD05Elektromos csatlakozó típusa csavarosMagasság 75 mmMélység 107 mmMéret 0.5-5A/230V AC, 250V AC, 10A/24V AC/DCSúly 0.23308Szélesség 45 mmVonalkód / EAN-kód 5997374153317Letölthető tartalom - Használati útmutató Letölthető tartalom - Katalógus oldal Letölthető tartalom - CE - Nyilatkozat Nyitóérintkezők száma 1Záróérintkezők száma 1Gyártó TRACONNumar articol TFKV-AKD05


























