Produsele
- Oferte evidentiate. [1535]
- Acéltermékek [1890]
- Adaptoare . [138]
- Comutatoare de curent-sigurante (Releuri Fi) . [5221]
- Interfoane audio/video . [415]
- Accesorii auto . [581]
- Sigurante + suport / soclu sigurante . [7577]
- Coliere de prindere, fixare [2013]
- Sisteme de securitate . [72]
- Mufe . [337]
- Pat cablu si accesorii [7224]
- Sonerii,clopotei,alarme-sirene . [345]
- Csomagológépek [6]
- Csőrendszerek és kiegészítőik [3864]
- Doze - cutii de jonctiune . [2769]
- Prize . [3879]
- Stechere /fise . [1541]
- Incarcatoare/statii de incarcare mașina electrica . [540]
- Mijloace de transport electrice [3]
- Baterii si acumulatoare [659]
- Tablouri , dulapuri, blocuri de distributie [6632]
- Balast . [160]
- Coloana de energie/distribuitor birou si accesorii . [596]
- Module de interfata cu reteaua, Profibus, accesorii [908]
- Ferule, Pini pentru cablu [623]
- Senzori si alarme [3824]
- Inscriptii [816]
- Dulapuri , tablouri metalice si accesorii [21442]
- Sursa de lumina/becuri/tuburi neon . [516]
- Tub luminos [167]
- Stabilizatoare de tensiune . [16]
- Soclu-dulie . [131]
- Carcase dulapuri si spatii pentru masurare consum [2587]
- Aparate-contoare masurare consum [247]
- Solutii pentru lipit [185]
- Convertor de frecventa si startere [4520]
- Bormasina, masini de gaurit,de filetat [2779]
- Solutii pentru incalzire-racire [2459]
- Cabluri si covoare pentru incalzire [817]
- Tuburi flexibile si accesorii [571]
- Tencuieli . [2]
- Startere . [13]
- Hajtástechnika, mozgásvezérlés, robotika [4564]
- Distribuitoare si prelungitoare retea [1481]
- Solutii audio [205]
- Aparate pentru uz casnic [630]
- Invertoare - convertoare de tensiune . [15]
- Comutatoare industriale [34056]
- Ipari PC-k, szoftverek [854]
- Iratmegsemmisítők [80]
- Irodai bútorok [69]
- Lampi indicatoare [3229]
- Ghidaj pentru cablu . [8]
- Cabluri-conductori electrice . [6445]
- Tavi de cablu si accesorii [9043]
- Decoratii de Craciun [3060]
- Accesorii de gradina [235]
- Lanterne, lampi de mana [602]
- Sigurante si accesorii [14657]
- Condensatoare [1211]
- Intrerupatoare uz casnic [21048]
- Corpuri de iluminat [11595]
- Tub neon/flourescent cu led . [489]
- Becuri Led . [4544]
- Perdele cu LED , plase de lumina cu LED [281]
- Corpuri de iluminat cu led [17290]
- Module LED [62]
- Panouri LED si accesorii [2408]
- Profile LED [1085]
- Banda LED [1002]
- Controlor LED [179]
- Accesorii bransament aerian [97]
- Piscine si accesorii [258]
- Echipamente de masurare [1810]
- Senzori de miscare [536]
- Ecipamente protectia muncii [3128]
- Comutatoare de putere pentru trafo / generator /protecție instalare si accesorii [627]
- Panouri solare si accesorii [502]
- Cleme de distributie [79]
- Push buton [11393]
- Casă inteligentă / Smart Home [2187]
- Stalpuri si accesorii [42]
- Dulap Rack, Cofrete, dulapuri pentru retea, accesorii [2167]
- Releuri [5151]
- Sine de cupru [23]
- Solutii pentru fixare,prindere [2330]
- Papuci, terminale [1689]
- Terminale și conectori de cablu [2993]
- Sport és szabadidő [56]
- Scule [10844]
- Banda adeziva [542]
- Surse neintreruptibila, UPS-uri [721]
- Accesorii telefoane [205]
- Termostate [533]
- Manson prelungire cablu [408]
- Glande ,ghidaj pentru cablu [1365]
- Accesorii TV-Audio [274]
- Transformatoare / Surse de alimentare [1758]
- Protectie la supratensiuni [1458]
- HIDRANTI SUPRATERANI SI SUBTERAN [75]
- Tehnici taiere, slefuire [983]
- Tevi de protectie si accesorii [1353]
- Produse chimice [329]
- Ventilatoare si accesorii [827]
- Cabluri si conductori electrice . [5205]
- Marcaje cabluri electrice [1101]
- Produse, elemente de legat cablu, sarma si accesorii [940]
- Paratrasnete, Accesorii paratrasnete [2143]
- Vonalkódtechnika [20485]
- Tuburi termocontractabile și capace [1278]
- In curs ce incarcare pe site [7550]
- Produse nou incarcate pe site [44408]
- Új feltöltések - 2026.04 [5034]
- GREENLUX kitöltendő [98]
- ELMARK kitöltendő [3850]
- HOME kitöltendő [106]
- Új [14]
- GTV kitöltendő [454]
- KNIPEX kitöltendő [257]
- Rábalux kitöltendő [11]
- HAGER kitöltendő [333]
- HÖGERT kitöltendő [607]
- TESA kitöltendő [255]
- EMOS kitöltendő [69]
- KOPOS kitöltendő [1]
- SOUDAL kitöltendő [63]
- LEGRAND kitöltendő [439]
- SCHNEIDER kitöltendő [1931]
- KANLUX kitöltendő [1386]
- GAO kitöltendő [141]
- OPTONICA kitöltendő [1305]
- KRAUSE kitöltendő2 [190]
- Kitöltendő [45]
- EATON [118]
- KOPOS [95]
- MILWAUKEE [378]
- BL [13]
- GAO [14]
- LEGRAND [569]
- SCHNEIDER [1820]
- TRACON [234]
- HAUPA [247]
- RITTAL [3944]
- ELMARK [264]
- GREENLUX [44]
- KANLUX [180]
- GLB [136]
- OPTONICA [19]
- EMS [68]
- Philips [84]
- Hensel [100]
- YATO [63]
- FINDER [111]
- UNIVOLT [1410]
- TP Electric [27]
- TRONIX [5]
- delete [17525]
- HOME új feltöltés [31]
- Ganz [29]
- ORO [1]
- EGLO Kitöltendő [258]
- GAO új [12]
- Inels RF Control [4]
- Weidmüller AC Töltők [1]
- Mean Well [3]
- Sg [2]
- FINDER kitöltendő [5]
Produse de top
Ultimele vizualizate
Recomandari de produse
Partenerii nostri
Detalii produs
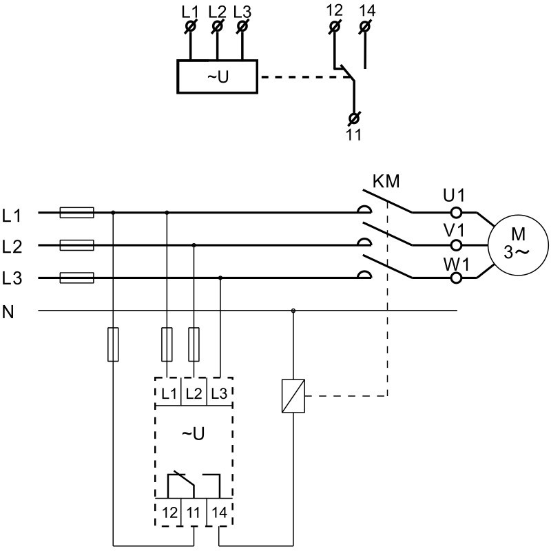
TRACON NARVN Feszültségfigyelő relé 3 fázisra AC 230V L-N, U>,< ,= +/-2-20%, t=0,1-10s, Asymm 8%
-
1,24 RON
-
273,35 RON 399,5 RON
-
Gyártó TRACONVáltóérintkezők száma 1Működtetés feszültségtípusa ACNévleges tekercsfeszültség AC (50 Hz)-nél 127 -265 V1-fázisú-alsó feszültséghatár lehetséges Nem3-fázisú-alsó feszültséghatár lehetséges Igen1-fázisú-túlfeszültség lehetséges Nem3-fázisú-túlfeszültség lehetséges Igen1-fázisú-ablak lehetséges Nem3-fázisú-ablak lehetséges Igen1. feszültségmérési tartomány 100 -320 V2. feszültségmérési tartomány 0 -0 VMérési tartomány feszültségfajtája ACFeszültség küszöbértéke 70 -400 VMin. beállítható indításkésleltetési idő 0 sMax. megengedett indításkésleltetési idő 0 sMin. beállítható ejtéskésleltetési idő 0,1 sMax. megengedett ejtéskésleltetési idő 10 sGyártói cikkszám NARVNElektromos csatlakozó típusa csavarosMagasság 90 mmMélység 64 mmSúly 0.09200Szélesség 18 mmVonalkód / EAN-kód 5997374231053Letölthető tartalom - Használati útmutató Letölthető tartalom - Katalógus oldal Letölthető tartalom - CE - Nyilatkozat Nyitóérintkezők száma 0Záróérintkezők száma 0Gyártó TRACONNumar articol TRACONNARVN



























