- Oferte evidentiate. [1535]
- Acéltermékek [1890]
- Adaptoare . [138]
- Comutatoare de curent-sigurante (Releuri Fi) . [5221]
- Interfoane audio/video . [415]
- Accesorii auto . [581]
- Sigurante + suport / soclu sigurante . [7577]
- Coliere de prindere, fixare [2013]
- Sisteme de securitate . [72]
- Mufe . [337]
- Pat cablu si accesorii [7224]
- Sonerii,clopotei,alarme-sirene . [345]
- Csomagológépek [6]
- Csőrendszerek és kiegészítőik [3864]
- Doze - cutii de jonctiune . [2769]
- Prize . [3879]
- Stechere /fise . [1541]
- Incarcatoare/statii de incarcare mașina electrica . [540]
- Mijloace de transport electrice [3]
- Baterii si acumulatoare [659]
- Tablouri , dulapuri, blocuri de distributie [6632]
- Balast . [160]
- Coloana de energie/distribuitor birou si accesorii . [596]
- Module de interfata cu reteaua, Profibus, accesorii [908]
- Ferule, Pini pentru cablu [623]
- Senzori si alarme [3824]
- Inscriptii [816]
- Dulapuri , tablouri metalice si accesorii [21442]
- Sursa de lumina/becuri/tuburi neon . [516]
- Tub luminos [167]
- Stabilizatoare de tensiune . [16]
- Soclu-dulie . [131]
- Carcase dulapuri si spatii pentru masurare consum [2587]
- Aparate-contoare masurare consum [247]
- Solutii pentru lipit [185]
- Convertor de frecventa si startere [4520]
- Bormasina, masini de gaurit,de filetat [2779]
- Solutii pentru incalzire-racire [2459]
- Cabluri si covoare pentru incalzire [817]
- Tuburi flexibile si accesorii [571]
- Tencuieli . [2]
- Startere . [13]
- Hajtástechnika, mozgásvezérlés, robotika [4564]
- Distribuitoare si prelungitoare retea [1481]
- Solutii audio [205]
- Aparate pentru uz casnic [630]
- Invertoare - convertoare de tensiune . [15]
- Comutatoare industriale [34056]
- Ipari PC-k, szoftverek [854]
- Iratmegsemmisítők [80]
- Irodai bútorok [69]
- Lampi indicatoare [3229]
- Ghidaj pentru cablu . [8]
- Cabluri-conductori electrice . [6445]
- Tavi de cablu si accesorii [9043]
- Decoratii de Craciun [3060]
- Accesorii de gradina [235]
- Lanterne, lampi de mana [602]
- Sigurante si accesorii [14657]
- Condensatoare [1211]
- Intrerupatoare uz casnic [21048]
- Corpuri de iluminat [11896]
- Tub neon/flourescent cu led . [489]
- Becuri Led . [4548]
- Perdele cu LED , plase de lumina cu LED [281]
- Corpuri de iluminat cu led [17497]
- Module LED [62]
- Panouri LED si accesorii [2408]
- Profile LED [1089]
- Banda LED [1002]
- Controlor LED [179]
- Accesorii bransament aerian [97]
- Piscine si accesorii [258]
- Echipamente de masurare [1810]
- Senzori de miscare [536]
- Ecipamente protectia muncii [3128]
- Comutatoare de putere pentru trafo / generator /protecție instalare si accesorii [627]
- Panouri solare si accesorii [502]
- Cleme de distributie [79]
- Push buton [11393]
- Casă inteligentă / Smart Home [2187]
- Stalpuri si accesorii [42]
- Dulap Rack, Cofrete, dulapuri pentru retea, accesorii [2167]
- Releuri [5151]
- Sine de cupru [23]
- Solutii pentru fixare,prindere [2330]
- Papuci, terminale [1689]
- Terminale și conectori de cablu [2993]
- Sport és szabadidő [56]
- Scule [10844]
- Banda adeziva [542]
- Surse neintreruptibila, UPS-uri [721]
- Accesorii telefoane [205]
- Termostate [533]
- Manson prelungire cablu [408]
- Glande ,ghidaj pentru cablu [1365]
- Accesorii TV-Audio [274]
- Transformatoare / Surse de alimentare [1758]
- Protectie la supratensiuni [1458]
- B (1) protectie aspra, paratraznete [66]
- B+C (1+2) protectie combinata [275]
- B+C+D (1+2+3) kombinált védelem [6]
- C (2) Protectie secundara [385]
- C+D (2+3) kombinált védelem [62]
- D (3) protectie fina [112]
- Sisteme de prindere la supratensiune [5]
- Socluri [24]
- Protectie curent continuu DC [46]
- Limitator de curent produs de fulger [114]
- Șine pentru descărcătoare de supratensiune [35]
- HIDRANTI SUPRATERANI SI SUBTERAN [75]
- Tehnici taiere, slefuire [983]
- Tevi de protectie si accesorii [1353]
- Produse chimice [329]
- Ventilatoare si accesorii [827]
- Cabluri si conductori electrice . [5205]
- Marcaje cabluri electrice [1101]
- Produse, elemente de legat cablu, sarma si accesorii [940]
- Paratrasnete, Accesorii paratrasnete [2143]
- Vonalkódtechnika [20485]
- Tuburi termocontractabile și capace [1278]
- In curs ce incarcare pe site [7550]
- Produse nou incarcate pe site [44453]
TRACON TTV-BC225-2 Túlfeszültségvédő készülék, 2.-es típus, csillagpontos 25kA, 2+1P
TRACON TTV-BC225-2 általános leírása:
Mi a túlfeszültség?
A túlfeszültség egy hirtelen, nagy intenzitású feszültségnövekedés az elektromos hálózatban. Ez a jelenség leggyakrabban villámlás, vagy a hálózaton bekövetkező hirtelen változások (pl. kapcsolások) miatt alakul ki. A túlfeszültség károsíthatja az elektromos készülékeket, sőt, akár tüzet is okozhat.
Miért fontos a túlfeszültség védelem?
A túlfeszültség védelem célja, hogy megvédje az elektromos berendezéseket ezektől a káros hatásoktól. A túlfeszültség levezetők feladata, hogy a túlfeszültséget a földbe vezessék, így megakadályozva, hogy az károkat okozzon a berendezésekben.
Hogyan működnek a túlfeszültség levezetők?
A túlfeszültség levezetők általában nemlineáris elemeket tartalmaznak, amelyek normál körülmények között nagy ellenállást mutatnak. Túlfeszültség esetén azonban ezek az elemek nagyon alacsony ellenállásúvá válnak, így az áram a levezetőn keresztül a földbe folyik.
A túlfeszültség levezetők típusai:
* Varisztorok (VDR): A leggyakrabban használt túlfeszültség levezetők. Főként félvezető anyagokból készülnek, amelyek ellenállása a feszültség növekedésével gyorsan csökken.
* Gáz töltésű túlfeszültség levezetők: Egy kis gáztartályban helyezkednek el, amelyben elektromos ív keletkezik túlfeszültség esetén.
* Oxid-cink levezetők (MOV): Kerámia anyagból készülnek, és nagy energiájú túlfeszültségek elvezetésére alkalmasak.
Hol helyezik el a túlfeszültség levezetőket?
A túlfeszültség levezetőket általában az elektromos hálózat bevezető pontjánál, illetve az egyes készülékek vagy berendezések előtt helyezik el. A védelem hatékonysága érdekében fontos, hogy a levezetőket megfelelően méretezzék és telepítsék.
A túlfeszültség levezetők kiválasztása:
A megfelelő túlfeszültség levezető kiválasztásakor figyelembe kell venni a következőket:
* A védendő berendezés típusa és értéke: Minél érzékenyebb a berendezés, annál nagyobb védelmet igényel.
* A várható túlfeszültségek nagysága és időtartama: A levezetőnek képesnek kell lennie elvezetni a várható legnagyobb túlfeszültséget is.
* A hálózat típusa és jellemzői: A hálózat feszültsége, frekvenciája és egyéb jellemzői befolyásolják a levezető kiválasztását.
Összefoglalva:
A túlfeszültség levezetők fontos szerepet játszanak az elektromos berendezések védelmében. A megfelelő típusú és méretű levezető kiválasztása és telepítése elengedhetetlen a hatékony védelem érdekében.
A túlfeszültségek csak a másodperc tört részéig állnak fenn, ezért tranziens feszültségeknek vagy röviden tranzienseknek is nevezzük őket. Ezek felfutási ideje nagyon rövid, néhány mikroszekundum, majd viszonylag lassan, akár 100 mikroszekundum alatt futnak le.
A túlfeszültségek a következő események miatt jönnek létre:
Villámkisülések (LEMP)
A villámkisülésre alkalmazott szakkifejezés a LEMP. Ez a Lightning Electromagnetic Pulse (villám által okozott elektromágneses impulzus) rövidítése.
A zivatarokból lecsapó villámcsapások rendkívül nagy tranziens túlfeszültségeket okoznak. Ezek sokkal nagyobbak a kapcsolási műveletek vagy elektrosztatikus kisülések miatt keletkezőknél. Igaz viszont, hogy a többi okból keletkező túlfeszültségekhez képest sokkal ritkábban következnek be.
Kapcsolási műveletek (SEMP)
A kapcsolási műveleteket a SEMP betűszóval jelölik. Ez a kapcsolási elektromágneses impulzust jelenti.
A kapcsolási műveletek alatt ebben az összefüggésben a nagyteljesítményű gépek kapcsolását vagy az áramellátó hálózatban fellépő zárlatokat értjük. Az ilyen folyamatoknál az érintett vezetékekben a másodperc tört része alatt nagyon nagy áramváltozások következnek be.
Elektrosztatikus kisülések (ESD)
Az ESD betűszó az Electrostatic Discharge (elektrosztatikus kisülés) rövidítése, és a nevének megfelelően az elektrosztatikus kisülést jelöli.
Itt arról van szó, hogy amikor különböző elektrosztatikus potenciálú testek közelednek egymáshoz vagy megérintik egymást, elektromos töltés megy át az egyikről a másikra. Ismert példa erre az az eset, amikor valaki egy szőnyegen menve feltöltődik, majd egy földelt fémtárgyon – például egy fémkorláton – ez a töltés kisül.
Fontos megjegyezni: A túlfeszültség levezetők nem nyújtanak 100%-os védelmet, de jelentősen csökkentik a károk kockázatát.
A készülékek és berendezések védelméhez szükséges intézkedéseket a levezető kiválasztása és a várható környezeti behatások függvényében két vagy három fokozatba lehet besorolni. Az egyes fokozatok védőkészülékei alapvetően a levezető-képességük nagyságában és a védelmi szintjükben különböznek, a védelmi fokozathoz tartozásuknak megfelelően.
Háromfokozatú védelmi koncepció elkülönülten telepített védelmi fokozatokkal:
- T1 típus: villámáram-levezetők
Védelmi szint < 4 kV, a beépítés szokásos helye: főelosztó - T2 típus: túlfeszültség-levezetők
Védelmi szint < 2,5 kV, a beépítés szokásos helye: alelosztó - T3 típus: készülékvédelem
Védelmi szint < 1,5 kV, a beépítés szokásos helye: a végberendezés előtt
Az 1. és 2. védelmi fokozatokat T1+T2 típusú kombinált levezetőként is meg lehet valósítani. Ez a védőkészülék kielégíti az 1. és 2. levezetőkkel szemben támasztott követelményeket. Lényeges előnye az egyszerű telepítés. Semmilyen különleges beszerelési feltételt nem kell betartani.
Háromfokozatú védelmi koncepció T1+T2 típusú kombinált levezetővel és külön T3 típusú levezetővel: - T1+T2 típusú kombinált levezető
Védelmi szint < 2,5 kV, a beépítés szokásos helye: főelosztó - T3 típus: készülékvédelem
Védelmi szint < 1,5 kV, a beépítés szokásos helye: a végberendezés előtt.
Az áramkörökbe becsatolt túlfeszültségek a legtöbb esetben jelentős mértékben károsítják a készülékeket és berendezéseket. Az állandóan használatban levő készülékeknél ez a kockázat különösen nagy. Itt ezek a károk rendkívül nagy költségeket okozhatnak. Nem csak a megrongálódott készülékek újrabeszerzése vagy javítása kerül pénzbe. Még több költséget jelent a berendezés hosszabb kiesése, vagy éppen a szoftver vagy az adatok elvesztése.
-
456,32 RON
-
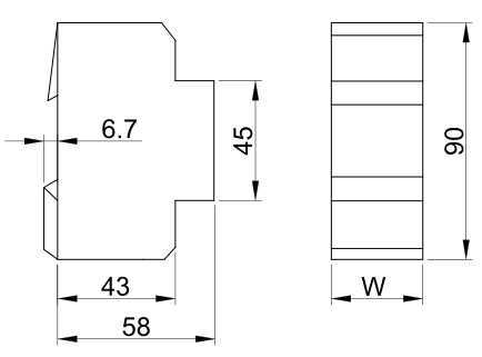
Gyártó TRACON2. típus vizsgálati osztály IgenMax. PV-feszültség 0 VEnergiaosztály 2023- -Gyártói cikkszám TTV-BC225-2Hálózati forma DC NemHálózati forma TN IgenHálózati forma TN-C NemHálózati forma TN-C-S IgenHálózati forma TN-S NemHálózati forma TT NemLegmagasabb tartós feszültség AC 385 VLegmagasabb tartós feszültség DC 0 VMax. levezető lökésáram (8/20) 25 kAMax. megengedett levezetési lökőáram (8/20) 25 kAMax. túlfeszültségvédelem, soros kapcsolás (biztosító) 0 AMax. vezeték-keresztmetszet merev (tömör/többszálas) 35 mm²Max. vezeték-keresztmetszet rugalmas (finomszálas) 35 mm²Méret 3-modulNévleges feszültség AC 230 VNévleges feszültség DC 0 VSúly 0.50000Szerelési mód DIN (kalap)sín 35 mmTávjelző kapcsolattal NemPutere 25kA, 2+1PVédelmi szint 1,5 kVVédelmi szint L-N 1,5 kVVédettségi szint N-PE 1,5 kVVezetékek száma (földelés nélkül) 2Vonalkód / EAN-kód 5997374155458Letölthető tartalom - Használati útmutató Letölthető tartalom - Katalógus oldal Letölthető tartalom - CE - Nyilatkozat Gyártó TRACONNumar articol TTV-BC225-2






















