Produsele
- Oferte evidentiate. [1535]
- Acéltermékek [1890]
- Adaptoare . [138]
- Comutatoare de curent-sigurante (Releuri Fi) . [5221]
- Interfoane audio/video . [415]
- Accesorii auto . [581]
- Sigurante + suport / soclu sigurante . [7577]
- Coliere de prindere, fixare [2013]
- Sisteme de securitate . [72]
- Mufe . [337]
- Pat cablu si accesorii [7224]
- Sonerii,clopotei,alarme-sirene . [345]
- Csomagológépek [6]
- Csőrendszerek és kiegészítőik [3864]
- Doze - cutii de jonctiune . [2769]
- Prize . [3879]
- Stechere /fise . [1541]
- Incarcatoare/statii de incarcare mașina electrica . [540]
- Mijloace de transport electrice [3]
- Baterii si acumulatoare [659]
- Tablouri , dulapuri, blocuri de distributie [6632]
- Balast . [160]
- Coloana de energie/distribuitor birou si accesorii . [596]
- Module de interfata cu reteaua, Profibus, accesorii [908]
- Ferule, Pini pentru cablu [623]
- Senzori si alarme [3824]
- Inscriptii [816]
- Dulapuri , tablouri metalice si accesorii [21442]
- Sursa de lumina/becuri/tuburi neon . [516]
- Tub luminos [167]
- Stabilizatoare de tensiune . [16]
- Soclu-dulie . [131]
- Carcase dulapuri si spatii pentru masurare consum [2587]
- Aparate-contoare masurare consum [247]
- Solutii pentru lipit [185]
- Convertor de frecventa si startere [4520]
- Bormasina, masini de gaurit,de filetat [2779]
- Solutii pentru incalzire-racire [2459]
- Cabluri si covoare pentru incalzire [817]
- Tuburi flexibile si accesorii [571]
- Tencuieli . [2]
- Startere . [13]
- Hajtástechnika, mozgásvezérlés, robotika [4564]
- Distribuitoare si prelungitoare retea [1481]
- Solutii audio [205]
- Aparate pentru uz casnic [630]
- Invertoare - convertoare de tensiune . [15]
- Comutatoare industriale [34056]
- Ipari PC-k, szoftverek [854]
- Iratmegsemmisítők [80]
- Irodai bútorok [69]
- Lampi indicatoare [3229]
- Ghidaj pentru cablu . [8]
- Cabluri-conductori electrice . [6445]
- Tavi de cablu si accesorii [9043]
- Decoratii de Craciun [3060]
- Accesorii de gradina [235]
- Lanterne, lampi de mana [602]
- Sigurante si accesorii [14657]
- ABB kismegszakítók [350]
- Sigurante Commel [6]
- Sigurante Eaton [5459]
- Sigurante Elmark [801]
- Sigurante ETI [590]
- Sigurante GAO [24]
- HAGER kismegszakítók [570]
- Sigurante Kanlux [48]
- Sigurante Legrand [2150]
- Sigurante Schneider [3133]
- Sigurante Tracon [1441]
- DNS [1]
- Kalapsínek [73]
- Condensatoare [1211]
- Intrerupatoare uz casnic [21048]
- Corpuri de iluminat [11595]
- Tub neon/flourescent cu led . [489]
- Becuri Led . [4544]
- Perdele cu LED , plase de lumina cu LED [281]
- Corpuri de iluminat cu led [17290]
- Module LED [62]
- Panouri LED si accesorii [2408]
- Profile LED [1085]
- Banda LED [1002]
- Controlor LED [179]
- Accesorii bransament aerian [97]
- Piscine si accesorii [258]
- Echipamente de masurare [1810]
- Senzori de miscare [536]
- Ecipamente protectia muncii [3128]
- Comutatoare de putere pentru trafo / generator /protecție instalare si accesorii [627]
- Panouri solare si accesorii [502]
- Cleme de distributie [79]
- Push buton [11393]
- Casă inteligentă / Smart Home [2187]
- Stalpuri si accesorii [42]
- Dulap Rack, Cofrete, dulapuri pentru retea, accesorii [2167]
- Releuri [5151]
- Sine de cupru [23]
- Solutii pentru fixare,prindere [2330]
- Papuci, terminale [1689]
- Terminale și conectori de cablu [2993]
- Sport és szabadidő [56]
- Scule [10844]
- Banda adeziva [542]
- Surse neintreruptibila, UPS-uri [721]
- Accesorii telefoane [205]
- Termostate [533]
- Manson prelungire cablu [408]
- Glande ,ghidaj pentru cablu [1365]
- Accesorii TV-Audio [274]
- Transformatoare / Surse de alimentare [1758]
- Protectie la supratensiuni [1458]
- HIDRANTI SUPRATERANI SI SUBTERAN [75]
- Tehnici taiere, slefuire [983]
- Tevi de protectie si accesorii [1353]
- Produse chimice [329]
- Ventilatoare si accesorii [827]
- Cabluri si conductori electrice . [5205]
- Marcaje cabluri electrice [1101]
- Produse, elemente de legat cablu, sarma si accesorii [940]
- Paratrasnete, Accesorii paratrasnete [2143]
- Vonalkódtechnika [20485]
- Tuburi termocontractabile și capace [1278]
- In curs ce incarcare pe site [7550]
- Produse nou incarcate pe site [44408]
Produse de top
Ultimele vizualizate
Recomandari de produse
Partenerii nostri
Detalii produs
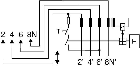
EATON 170167 FBSMV-63/4/01-S/A Áram-védőegység 4P (FAZ-hoz)
A kép illusztráció!
Eaton 170167 általános leírása:
A kismegszakítók más néven automaták az elektromos hálózatok egyik legfontosabb védelmi elemei. Feladatuk, hogy túlterhelés vagy rövidzárlat esetén automatikusan megszakítsák az áramkört, így megvédve az elektromos berendezéseket és a vezetékeket a károsodástól, valamint elkerülve a tűzveszélyt.
Működési elv
A kismegszakítók két fő részből állnak: egy elektromágneses és egy hőelemes kioldóból.
* Elektromágneses kioldó: Ez a rész a rövidzárlatok ellen nyújt védelmet. Amikor a hálózatban rövidzárlat keletkezik, a hirtelen megnövekedett áram erős mágneses teret hoz létre, amely az elektromágneses kioldót működésbe hozza, és megszakítja az áramkört.
* Hőelemes kioldó: A hőelemes kioldó a túlterhelés ellen véd. Ha az áram túl hosszú ideig halad át a vezetékben, a hőelemes kioldó felmelegszik és megolvad, így megszakítva az áramkört.
Típusok és jellemzők
* Kioldási karakterisztika: A kismegszakítók különböző kioldási karakterisztikával készülnek (B, C, D), amelyek a különböző terhelésekhez és alkalmazásokhoz igazodnak.
A kismegszakítók kioldási karakterisztikája:
Mi is az a kioldási karakterisztika?
A kismegszakító kioldási karakterisztikája azt határozza meg, hogy a készülék milyen gyorsan és milyen áramértéknél kapcsol ki. Más szavakkal, ez a karakterisztika megmutatja, hogy a kismegszakító hogyan reagál a különböző túlterhelési és rövidzárlati helyzetekben.
Miért fontos a kioldási karakterisztika?
A különböző elektromos hálózatokban eltérő terhelési viszonyok alakulhatnak ki. Például egy háztartási hálózatban más a terhelés, mint egy ipari környezetben. A kioldási karakterisztika biztosítja, hogy a kismegszakító a megfelelő időben és a megfelelő körülmények között kapcsoljon ki, így védve az elektromos berendezéseket és a vezetékeket.
A leggyakoribb kioldási karakterisztikák:
* B karakterisztika: Általános célú kismegszakítók, amelyeket elsősorban háztartási és könnyű ipari alkalmazásokban használnak. A túlterhelésre viszonylag lassabban reagálnak, de a rövidzárlatokat gyorsan megszakítják.
* C karakterisztika: Széles körben alkalmazott karakterisztika, amely a B karakterisztikánál gyorsabban reagál a túlterhelésre. Otthonokban és kisebb ipari létesítményekben is gyakran használják.
* D karakterisztika: Nagy indítóáramok esetén használják, például motorok indításakor. A túlterhelésre lassabban reagál, mint a B és C karakterisztikák, de a nagy rövidzárlati áramokat gyorsan megszakítja.
* K karakterisztika: Elektronikus eszközök védelmére alkalmas, mivel nagyon gyorsan reagál a rövidzárlatokra, de a túlterhelésre viszonylag lassan.
Miért fontos megérteni a kioldási karakterisztikát?
* Megfelelő kismegszakító kiválasztása: A kioldási karakterisztika alapján tudjuk kiválasztani a megfelelő kismegszakítót az adott alkalmazáshoz.
* Hibaelhárítás: Ha a kismegszakító gyakran kikapcsol, a karakterisztika alapján tudjuk megállapítani, hogy az ok túlterhelés vagy rövidzárlat.
* Védelem optimalizálása: A megfelelő karakterisztika kiválasztásával optimalizálhatjuk az elektromos hálózat védelmét.
Összefoglalva:
A kismegszakító kioldási karakterisztikája egy fontos paraméter, amely meghatározza a készülék viselkedését különböző terhelési körülmények között. A megfelelő karakterisztika kiválasztása elengedhetetlen az elektromos hálózat biztonságos és hatékony működéséhez.
A kismegszakítók további fontosabb jellemzői:
* Pólusszám: Egyfázisú és háromfázisú kismegszakítók léteznek.
* Névleges áram: Ez az a legnagyobb áram, amelyet a kismegszakító folyamatosan el tud vezetni.
* Névleges feszültség: A kismegszakítónak megfelelő feszültségszintre kell választani.
* Megszakítási képesség: Ez a legnagyobb áram, amelyet a kismegszakító biztonságosan megszakíthat.
Felhasználási területek
A kismegszakítókat széles körben alkalmazzák:
* Lakóépületek: Az elektromos hálózatok védelmére, a túláram és a rövidzárlat elleni védelem biztosítására.
* Ipari létesítmények: Gépek, berendezések védelmére.
* Középületek: Irodaházak, iskolák, kórházak elektromos rendszerének védelmére.
Előnyök
* Biztonság: Megakadályozzák a tűzveszélyt és az elektromos berendezések károsodását.
* Megbízhatóság: Hosszú élettartamúak és megbízhatóan működnek.
* Egyszerű kezelhetőség: A legtöbb kismegszakító kézi úton is ki- és bekapcsolható.
* Szelektív működés: Lehetővé teszik a hibás áramkörök szelektív leválasztását.
Fontos tudnivalók
* A kismegszakítókat szakembernek kell kiválasztania és beépítenie.
* Rendszeresen ellenőrizni kell a kismegszakítók állapotát.
* A kismegszakítót soha ne cserélje nagyobb névleges áramú típusra!
* Ha a kismegszakító gyakran kikapcsol, hívjon szakembert.
Összefoglalva: A kismegszakítók nélkülözhetetlen elemei az elektromos hálózatoknak. Biztonságos és megbízható működést biztosítanak, megvédve az elektromos berendezéseket és a vezetékeket a károsodástól.
További információért keressen minket bizalommal: info@gazdafielectronic.hu
-
MA180503314.pdf
cq5dam.web.1280.1280.jpeg
ETN.FBSMV-63_4_01-S_A.edz
eaton-fbsmv_4p-3d-model.stp
eaton-fbsmv_4p-drawing.dwg
image?doc_name=FB7_4p
eaton-xeffect-fbsmv-add-on-blocks-catalog-ca003025de-de-de.pdf
eaton-xeffect-industrial-switchgear-range-catalog-ca003002en-en-us.pdf
datasheet.php?model=170167&locale=en_GB
datasheet.php?model=170167&locale=de_DE
datasheet.php?model=170167&locale=hu
-
Gyártó EATONGyártói cikkszám 170167Névleges áramerősség (In) 63ANévleges hibaáram (Idn) 100mAPólusok száma 4Típus S/AVonalkód / EAN-kód 4015081666768Névleges áram - EF000001 63Névleges szigetelési feszültség Ui - EF001366 440pólusok száma - EF001391 4Késleltetés állítható - EF001420 NemMax. késleltetési idő - EF001421 40Szivárgási áram típusa - EF002560 ATúláram kapacitás - EF002564 5Szennyeződési fokozat - EF002570 2Névleges hibaáram - EF003975 0.1 - 0.1Névleges feszültség - EF005127 240 - 415Teljesítmény veszteség - EF005387 7.4Frekvencia - EF005455 50 HzVédettségi fokozat (IP) - EF005474 IP20Csatlakoztatható vezető keresztmetszet szilárd vezető esetén - EF007337 0.75 - 35Csatlakoztatható vezető keresztmetszet többelhegesztett - EF007343 0.75 - 35Zárral ellátva - EF007385 IgenÜzem közbeni környezeti hőmérséklet - EF007515 -25 - 40Beállítható névleges meghibásodási áram - EF008874 NemZavaró kioldás elleni verzió - EF009497 NemMinősített impulzus ütések feszültsége Uimp - EF011980 4Gyártó EatonNumar articol eaton170167






















