- KIEMELT AJÁNLATAINK [1535]
- Acéltermékek [1890]
- Adapterek [138]
- Áram-védőkapcsolók (Fi-relék) [5221]
- Audio/video kaputelefonok [415]
- Autós kiegészítők [581]
- Betétek és aljzatok [7577]
- Bilincsek [2013]
- Biztonságtechnika [72]
- Csatlakozók [337]
- Csatornák és kiegészítőik [7224]
- Csengők és hangjelzők [345]
- Csomagológépek [6]
- Csőrendszerek és kiegészítőik [3864]
- Dobozok [2769]
- Dugaljak [3879]
- Dugvillák [1541]
- Elektromos autó töltők [540]
- Elektromos közlekedési eszközök [3]
- Elemek és akkumulátorok [659]
- Elosztószekrények [6632]
- Előtétek [160]
- Energiaoszlopok és kiegészítőik [596]
- Épületautomatizálás és intelligens otthon [908]
- Érvéghüvelyek [623]
- Érzékelők,szenzorok és jeladók [3824]
- Feliratok és papírtermékek [816]
- Fémszekrények és kiegészítőik [21442]
- Fényforrások [516]
- Fénykábelek [167]
- Feszültségstabilizátorok [16]
- Foglalatok [131]
- Fogyasztásmérő szekrények, mérőhelyek [2587]
- Fogyasztásmérők [247]
- Moduláris fogyasztásmérők [182]
- ABB Fogyasztásmérők [23]
- EATON FogyasztásmérőK [13]
- ELKO Fogyasztásmérők [1]
- ELMARK Fogyasztásmérők [5]
- FINDER Fogyasztásmérők [35]
- F&F Fogyasztásmérők [2]
- GAO Fogyasztásmérők [5]
- HAGER fogyasztásmérők [2]
- KANLUX Fogyasztásmérők [2]
- LEGRAND Fogyasztásmérők [24]
- ORNO Fogyasztásmérők [13]
- SCHNEIDER Fogyasztásmérők [32]
- TRACON Fogyasztásmérők [22]
- WAGO fogyasztásmérők [3]
- Dugaljba dugható fogyasztásmérők [10]
- Falon kívüli fogyasztásmérők [3]
- Kiegészítők [5]
- Moduláris fogyasztásmérők [182]
- Forrasztástechnika [185]
- Frekvenciaváltók és lágyindítók [4520]
- Fúrók, menet- és lyukasztófúrók [2779]
- Fűtés- és hűtéstechnika [2459]
- Fűtőkábelek és fűtőszőnyegek [817]
- Gégecsövek és kiegészítőik [571]
- Gipszek [2]
- Gyújtók [13]
- Hajtástechnika, mozgásvezérlés, robotika [4564]
- Hálózati elosztók és hosszabbítók [1481]
- Hangtechnika [205]
- Háztartási termékek [630]
- Inverterek [15]
- Ipari kapcsolók [34056]
- Ipari PC-k, szoftverek [854]
- Iratmegsemmisítők [80]
- Irodai bútorok [69]
- Jelzőlámpák [3229]
- Kábelátvezető [8]
- Kábelek [6445]
- Kábeltálcák és kiegészítőik [9043]
- Karácsonyi dekoráció [3060]
- Kerti kiegészítők [235]
- Kézilámpák és elemlámpák [602]
- Kismegszakítók és kiegészítőik [14657]
- Kondenzátorok [1211]
- Lakossági kapcsolók [21048]
- Lámpatestek [11896]
- LED fénycsövek [489]
- LED fényforrások [4548]
- LED fényfüggönyök,fényhálók [281]
- LED lámpatestek [17497]
- LED modulok [62]
- LED panelek és kiegészítőik [2408]
- LED profilok [1089]
- LED szalagok [1002]
- LED vezérlők [179]
- Légvezeték kiegészítők [97]
- Medence és kiegészítőik [258]
- Mérőműszerek [1810]
- Mozgásérzékelők [536]
- Munkavédelem [3128]
- Nagymegszakítók és kiegészítőik [627]
- Napelemek és kiegészítőik [502]
- Nullázó sínek [79]
- Nyomógombok [11393]
- Okos otthon [2187]
- Oszlopok és kiegészítőik [42]
- Rack szekrények és kiegészítőik [2167]
- Relék [5151]
- Rézsínek [23]
- Rögzítéstechnika [2330]
- Saruk [1689]
- Sorkapcsok és vezetékösszekötők [2993]
- Sport és szabadidő [56]
- Szerszámok [10844]
- Szigetelőszalagok [542]
- Szünetmentes tápegységek, UPS-ek [721]
- Telefon kiegészítők [205]
- Termosztátok [533]
- Toldóhüvelyek [408]
- Tömszelencék [1365]
- TV Audio kiegészítők [274]
- Trafók/tápegységek [1758]
- Túlfeszültség levezetők [1458]
- Tűzcsapok [75]
- Vágás- és csiszolástechnika [983]
- Védőcsövek és kiegészítőik [1353]
- Vegyi termékek [329]
- Ventilátorok és kiegészítőik [827]
- Vezetékek [5205]
- Vezetékjelölők [1101]
- Vezetékkötegelők és kiegészítőik [940]
- Villámvédelem [2143]
- Vonalkódtechnika [20485]
- Zsugorcsövek és végzárók [1278]
- Feltöltés alatt [7550]
- Új feltöltés [44453]
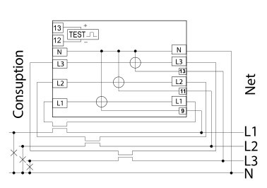
TRACON TVO-F3-4MCT LCD kijelzésű háromfázisú áramváltós fogyasztásmérő, 4 modul 400V / 5 A CT Pd=3W
-
Letölthető tartalom - Használati útmutató - TVO-F3-4MCT
Letölthető tartalom - Katalógus oldal - TVO-F3-4MCT
Letölthető tartalom - CE - Nyilatkozat - TVO-F3-4MCT
Letölthető tartalom - CE - Nyilatkozat - TVO-F3-4MCT
Letölthető tartalom - Használati útmutató - TVO-F3-4MCT
Letölthető tartalom - Katalógus oldal - TVO-F3-4MCT
-
23 690 Ft 46 975 Ft
-
Gyártó TRACONModulszélesség 4Energiaosztály 2023- -Pontossági osztály BGyártói cikkszám TVO-F3-4MCTSzámláló típusa elektronikusNévleges feszültség (Un) N-L 230 -230 VNévleges feszültség (Un) L-L 400 -400 VPólustípus 4-vezetékesEnergiatípus hatásos teljesítményTarifa kivitel 1-tarifásImpulzuskimenet elektromosImpulzustípus S0Impulzus-részlet 1 600 -1 600 Imp/kWh (kvarh)Jelzés fajtája digitálisÁllások száma 6Frekvencia 50 -50 HzKivitel áramváltósAlkalmas vételezőMaximális áram (Imax) 6 AMagasság 90 mmMélység 70 mmNévleges áram (in) 5 ASúly 0.41045Szélesség 70 mmSzerelési mód kalapsín adapter (REG)Vonalkód / EAN-kód 5997374200400Letölthető tartalom - Használati útmutató Letölthető tartalom - Katalógus oldal Letölthető tartalom - CE - Nyilatkozat Gyártó TRACONCikkszám TVO-F3-4MCT











































